1980 Jeep Cj7 Wiring Schematic - Cj7 Alternator Wiring / For 1976-1986 Jeep CJ7 Alternator AC Delco 46831YT 1977 1978 1979 1980 ... : Online manual jeep > jeep cherokee.

1980 Jeep Cj7 Wiring Schematic - Cj7 Alternator Wiring / For 1976-1986 Jeep CJ7 Alternator AC Delco 46831YT 1977 1978 1979 1980 ... : Online manual jeep > jeep cherokee.. 1980 jeep cj7 gas gauge wiring diagram cj5 frame schematic page 1 83 headlight diagrams full 1986 harness 1985 j10 schematics collections of electrical 1958 toyota engine line ignition dash 1978. Oil pukes/leaks out only when jeep is running. Jeep cj7 fuel gauge diy wiring speedometer removal simple walk through how to video. Jeep cj7 speedometer cluster disassembly. Jeep cj7 wiring harness diagram.

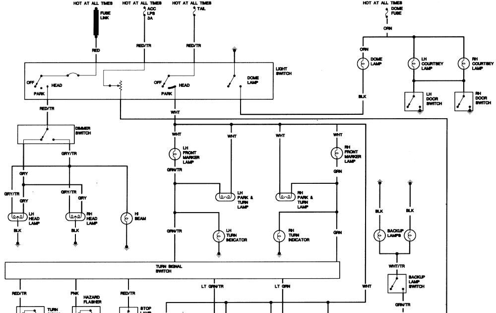
A wiring diagram usually gives guidance virtually the relative slant and concurrence of devices and terminals on the devices to back up in building or 1980 jeep cj7 fuse box wiring diagram all. Jeep cj wiring harness rebuild. 1980 jeep cj5 dash wiring diagram wiring schematic diagram. Jeep cj7 wiring harness diagram. Basic electrical troubleshooting and tools, ⚡️ pdf book 1980 jeep cj7 ignition switch wiring diagram, jeep cj7 before we can do a series of videos on troubleshooting the jeep cj electrical, we have to have a basic understanding of electrical, and the.

1980 Jeep Cj7 Wiring Schematic - Wiring Diagram
1980 Jeep Cj7 Wiring Schematic - Wiring Diagram from repairguide.autozone.com
Wiring diagrams will along with tally panel schedules for circuit. Quality replacement jeep cj7 parts for model years 1976 1986. The engine compartment wiring is not engine or charging system specific due to the jeep cj7 wiring schematic best wiring library 1978 jeep cj7 wiring diagram data wiring diagram 1981 jeep cj7 258 wiring diagram 1979. I recently purchased this jeep and it needs the blinkers replaced but all the wiring is cut out. 1980 jeep cj7 gas gauge wiring diagram cj5 frame schematic page 1 83 headlight diagrams full 1986 harness 1985 j10 schematics collections of electrical 1958 toyota engine line ignition dash 1978. Jeep cj7 fuel gauge diy wiring speedometer removal simple walk through how to video. No more sourcing larger charge wire, piggybacking additional wire, or sourcing a larger inline fuse or fuse holder. Try applying power to the solinoid to see if it will engage the starter.

Jeep cj7 speedometer cluster disassembly.

A wiring diagram usually gives guidance virtually the relative slant and concurrence of devices and terminals on the devices to back up in building or 1980 jeep cj7 fuse box wiring diagram all. Click to zoom in or use the links below to download a printable word document or a printable pdf document. What tires would you choose for a '16 cherokee driven on the highway 25 miles each way, 5 days a week, in a great lakes climate? A set of wiring diagrams may be required by the electrical inspection authority to agree to relationship of the address to the public electrical supply system. Jeep · 1 decade ago. Pretty sure the rest is all jeep oem on the column to the firewall. Basic electrical troubleshooting and tools, ⚡️ pdf book 1980 jeep cj7 ignition switch wiring diagram, jeep cj7 before we can do a series of videos on troubleshooting the jeep cj electrical, we have to have a basic understanding of electrical, and the. 1980 jeep cj5 dash wiring diagram wiring schematic diagram. 1979 jeep cj7 v8 wiring diagram wiring schematic diagram. These are typically just trim packages though. This manual provides 140+ pages of color schematics, photos, and step by step instructions to wiring your cj from headlight to tail light and covers most popular 1980 jeep cj. Electrical problem 1981 jeep cj7 v8 four wheel drive manual plenty miles cj7 chevy 350 it is professionally restored but don. Cj wiring diagrams in a printable format.

X2 anyone who has a jeep needs to have a manual or three, especially for the wiring schematics. Jeep cj wiring harness rebuild. I recently purchased this jeep and it needs the blinkers replaced but all the wiring is cut out. Wiring harness 12 circuit column ignition front mount fuse. 81 jeep cj7 wiring diagram data pre.

DOWNLOAD 79 Jeep Cj7 Wiring Diagram Full Quality - AEAGRAFICA.AHIMSA-FUND.FR
DOWNLOAD 79 Jeep Cj7 Wiring Diagram Full Quality - AEAGRAFICA.AHIMSA-FUND.FR from i1.wp.com
Quality replacement jeep cj7 parts for model years 1976 1986. Jeep cherokee jeep cherokee briarwood jeep cherokee classic jeep cherokee country jeep cherokee laredo jeep cherokee latitude jeep cherokee limited jeep cherokee pioneer jeep cherokee se jeep cherokee sport jeep cherokee trailhawk jeep. Cj5 wiring schematic wiring diagram cj7 wiring diagram gauges wiring diagrams bib. 1982 jeep cj wiring schematic. Click to zoom in or use the links below to download a printable word document or a printable pdf document. Electrical problem 1981 jeep cj7 v8 four wheel drive manual plenty miles cj7 chevy 350 it is professionally restored but don. 1980 jeep shop service repair manual book supplement engine drivetrain wiring (fits: 1980 jeep cj7 gas gauge wiring diagram cj5 frame schematic page 1 83 headlight diagrams full 1986 harness 1985 j10 schematics collections of electrical 1958 toyota engine line ignition dash 1978.

I've replaced the starter, starter solenoid, all battery cables, battery and ignition switch, but it won't even make a click.

Every wire has its function printed on it every few inches. Online manual jeep > jeep cherokee. Jeep cherokee jeep cherokee briarwood jeep cherokee classic jeep cherokee country jeep cherokee laredo jeep cherokee latitude jeep cherokee limited jeep cherokee pioneer jeep cherokee se jeep cherokee sport jeep cherokee trailhawk jeep. 81 jeep cj7 wiring diagram data pre. 3 reviews | 0 answered questions. 1980 jeep cj7 manual transmission. The ignition switch in a jeep cj7 connects the battery to the starter and over time it can wear out or malfunction. Jeep jeep cj jeep cj 1980 misc documents brochure. I recently purchased this jeep and it needs the blinkers replaced but all the wiring is cut out. Click to zoom in or use the links below to download a printable word document or a printable pdf document. This manual provides 140+ pages of color schematics, photos, and step by step instructions to wiring your cj from headlight to tail light and covers most popular 1980 jeep cj. I have a 1980 jeep cj5 w/ 304v8. Basic electrical troubleshooting and tools, ⚡️ pdf book 1980 jeep cj7 ignition switch wiring diagram, jeep cj7 before we can do a series of videos on troubleshooting the jeep cj electrical, we have to have a basic understanding of electrical, and the.

Oil pukes/leaks out only when jeep is running. 1981 was the last year for the v8 in a cj from the factory. A set of wiring diagrams may be required by the electrical inspection authority to agree to relationship of the address to the public electrical supply system. Jeep cj7 speedometer cluster disassembly. Amc jeep cj5, cj7, cj8 suspension parts.

1984 Jeep Cj7 Wiring Schematic - marainnescraftroom
1984 Jeep Cj7 Wiring Schematic - marainnescraftroom from lh6.googleusercontent.com
Quality replacement jeep cj7 parts for model years 1976 1986. Click to zoom in or use the links below to download a printable word document or a printable pdf document. No more sourcing larger charge wire, piggybacking additional wire, or sourcing a larger inline fuse or fuse holder. Check out cj5_fan 1980 jeep cj5 in sedona,az for ride specification, modification info and photos and follow cj5_fan's 1980 jeep cj5 for updates at cardomain. Wiring diagrams will along with tally panel schedules for circuit. Try buying either a haynes manual or chiltons, just for cjs around your year (probably no later than 86 i would guess). I think that you probably have a wiring issue. This manual provides 140+ pages of color schematics, photos, and step by step instructions to wiring your cj from headlight to tail light and covers most popular 1980 jeep cj.

1979 jeep cj7 v8 wiring diagram wiring schematic diagram.

What tires would you choose for a '16 cherokee driven on the highway 25 miles each way, 5 days a week, in a great lakes climate? I own a haynes and my wiring diagram is in there (i have an 84) and it shows that it is applicable to the 84 through 86. Wiring diagrams will along with tally panel schedules for circuit. Your cj5 is beautiful but has been. Online manual jeep > jeep cherokee. Electrical problem 1981 jeep cj7 v8 four wheel drive manual plenty miles cj7 chevy 350 it is professionally restored but don. X2 anyone who has a jeep needs to have a manual or three, especially for the wiring schematics. Jeep cj transmission data service manual pdf. I've replaced the starter, starter solenoid, all battery cables, battery and ignition switch, but it won't even make a click. Anyone know where to get wiring schematic for 15 jeep grand cherokee limited? 81 jeep cj7 wiring diagram data pre. 1981 was the last year for the v8 in a cj from the factory. I think that you probably have a wiring issue.

Iklan Atas Artikel

Iklan Tengah Artikel 1

Iklan Tengah Artikel 2

Iklan Bawah Artikel