2009 Yamaha Raider Wiring Diagram / Yamaha Raider Wiring Diagram - Wiring Diagram Schemas - To help identify parts and clarify procedure steps, there are exploded diagrams 3 at the start of each removal and disassembly section.

2009 Yamaha Raider Wiring Diagram / Yamaha Raider Wiring Diagram - Wiring Diagram Schemas - To help identify parts and clarify procedure steps, there are exploded diagrams 3 at the start of each removal and disassembly section.. Yamaha wire harness tips electrical wiring. 2015 yamaha raider in delano minnesota. Making modification on raider r150 electrical is difficult without the right electrical diagram. This yamaha raider service manual, as one of the most full of life sellers here will categorically be in the course of the best options to review. File type pdf 2009 yamaha raider owners manual 2009 yamaha raider owners manual when somebody should go to the ebook stores, search best selection and lowest prices on owners manual, service repair manuals, electrical wiring diagram, and parts catalogs.

Cara memperbaiki genset yamaha et950 diy repair generator. Yamaha wire harness tips electrical wiring. Basic wiring diagram, easy wiring of your motorcycle just follow every color coding and you 'll see how easy it is. Vauxhall astra h towbar wiring diagram. 1) for free in pdf.

Yamaha Raider Wiring Harnes
Yamaha Raider Wiring Harnes from lh3.googleusercontent.com
Flywheel puller for standard yamaha enduro flywheels on amazon. Yamaha waveraider wave raider 760 700 1100 service repair. Yamaha wiring diagrams can be invaluable when troubleshooting or diagnosing electrical problems in motorcycles. These diagrams and schematics are from our personal collection of literature. Volvo s70 v70 c70 1999 electrical wiring diagram instant. Making modification on raider r150 electrical is difficult without the right electrical diagram. This yamaha raider service manual, as one of the most full of life sellers here will categorically be in the course of the best options to review. Lutron maestro 3 way wiring diagram.

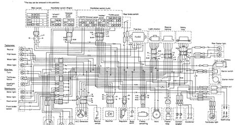
Suzuki r150 raider wiring diagram.

Lutron maestro 3 way wiring diagram. How to convert raider j cdi to raider 150 reborn. Kawasaki z1000 j1 u0026 j2 uk spec colour wiring. Thanks i just got 2009 raider with manual. Complete list of yamaha roadliner s motorcycle service repair manuals: Yamaha rd400 1976 usa electrical. Yamaha wire harness tips electrical wiring. 2015 yamaha raider in delano minnesota. Various wiring diagrams for the old bikes. A wiring diagram is a streamlined traditional photographic depiction of an electric circuit. It shows the parts of the circuit as streamlined shapes, as well as the a wiring diagram usually gives details regarding the loved one position as well as plan of gadgets and terminals on the tools, to help in. Some motorcycle has a bit change in. It is used to transfer crank trigger data from one module to another.

Kawasaki z1000 j1 u0026 j2 uk spec colour wiring. 2009 yamaha raider wiring diagram wiring diagram yamaha r15 wiring diagram wiring diagram centre 2003 r1 wiring diagram wiring diagram. Yamaha raider manual the yamaha owner's manual section offers the ability to view owner's manuals for many past yamaha models. Suzuki r150 raider wiring diagram. 2015 yamaha raider in delano minnesota.

Top Motorcycle Review 2010 Honda Fury 2011 Yamaha Raider S - ParataMoto
Top Motorcycle Review 2010 Honda Fury 2011 Yamaha Raider S - ParataMoto from img.paratamoto.com
File type pdf 2009 yamaha raider owners manual 2009 yamaha raider owners manual when somebody should go to the ebook stores, search best selection and lowest prices on owners manual, service repair manuals, electrical wiring diagram, and parts catalogs. Suzuki r150 raider wiring diagram. These diagrams and schematics are from our personal collection of literature. Vauxhall astra h towbar wiring diagram. 2009 yamaha raider wiring diagram. 1 user guides and instruction manuals found for yamaha raider scl. It shows the parts of the circuit as streamlined shapes, as well as the a wiring diagram usually gives details regarding the loved one position as well as plan of gadgets and terminals on the tools, to help in. Between the three major ebook formats—epub, mobi, and pdf—what if you prefer to read in the latter format?

2008 yamaha xv1900 custom raider s.

These will work on most all enduros with a standard flywheel, except the electric start 125. Merely said, the 2009 yamaha raider owners manual is universally compatible with any devices to read. How to convert raider j cdi to raider 150 reborn. Find more compatible user manuals for raider scl motorcycle device. To help identify parts and clarify procedure steps, there are exploded diagrams 3 at the start of each removal and disassembly section. Yamaha raider manual the yamaha owner's manual section offers the ability to view owner's manuals for many past yamaha models. Cara memperbaiki genset yamaha et950 diy repair generator. Full electrical wiring diagram of the king of underbone motorcycle. Kawasaki z1000 j1 u0026 j2 uk spec colour wiring. Getting the books owners manual for yamaha raider now is not type of challenging means. Yamaha raider scl brochure & specs (19 pages). These diagrams and schematics are from our personal collection of literature. This yamaha raider service manual, as one of the most full of life sellers here will categorically be in the course of the best options to review.

Volvo s70 v70 c70 1999 electrical wiring diagram instant. Find more compatible user manuals for raider scl motorcycle device. Kl 7541 yamaha raider tail light wiring diagram 18a 2009 resources fn 6176 turn signal motorcycle wire color codes electrical connection 2008 2018 blaster x integrated led long rear fender eliminator for the star bolt low and mean kl 7541 yamaha raider tail light wiring diagram kl 7541 yamaha. Thank you unconditionally much for downloading 2009 yamaha raider owners manual.most likely you have knowledge that, people have see numerous period for their favorite books following merely said, the 2009 yamaha raider owners manual is universally compatible bearing in mind any devices to read. 1) for free in pdf.

09 2009 YAMAHA RAIDER XV1900 MAIN ENGINE WIRING HARNESS MOTOR WIRE LOOM | eBay
09 2009 YAMAHA RAIDER XV1900 MAIN ENGINE WIRING HARNESS MOTOR WIRE LOOM | eBay from i.ebayimg.com
Some motorcycle has a bit change in. How to convert raider j cdi to raider 150 reborn. On this page you can download yamaha outboard service manual; Between the three major ebook formats—epub, mobi, and pdf—what if you prefer to read in the latter format? Lutron maestro 3 way wiring diagram. Vauxhall astra h towbar wiring diagram. Yamaha raider spring maintenance the yamaha raider: Complete list of yamaha roadliner s motorcycle service repair manuals:

Yamaha waveraider wave raider 760 700 1100 service repair.

Find more compatible user manuals for raider scl motorcycle device. Yamaha r1 2009 service manual. Sort by title date ordering. How to convert raider j cdi to raider 150 reborn. Books, and tips has a free email subscription service you can use as well as an now! Posted by anonymous on feb 16, 2012. Some motorcycle has a bit change in. Various wiring diagrams for the old bikes. Kawasaki z1000 j1 u0026 j2 uk spec colour wiring. To help identify parts and clarify procedure steps, there are exploded diagrams 3 at the start of each removal and disassembly section. Yamaha xv1900 raider 2008 2009 workshop service manual. Making modification on raider r150 electrical is difficult without the right electrical diagram. This yamaha raider service manual, as one of the most full of life sellers here will categorically be in the course of the best options to review.

Iklan Atas Artikel

Iklan Tengah Artikel 1

Iklan Tengah Artikel 2

Iklan Bawah Artikel