Pump Control Panel Wiring Diagram Schematic / 3 Phase Dol Starter Control And Power Wiring Diagram Water Pump Controller With Float Switch Youtube / Dab water pump schematic diagram.

Pump Control Panel Wiring Diagram Schematic / 3 Phase Dol Starter Control And Power Wiring Diagram Water Pump Controller With Float Switch Youtube / Dab water pump schematic diagram.. Wd/sd air cooled hsb 60hz. There are 2777 circuit schematics available. Symbols that represent the constituents inside circuit, and lines that represent the connections between them. On the bottom line you have the wiring terminals for the switches. Wiring diagrams are made up of two things:

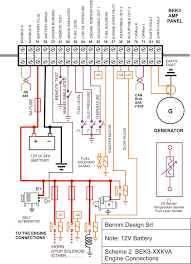
For the upper wire, it shows that there is a wire that comes from page 200 section 1. Smart wiring for electrical panel design engineering maintenance. There are 2777 circuit schematics available. Electrical wiring diagrams of a plc panel. There is a wiring diagram and adjacent to it a line diagram. the line diagram (sometimes referred to as an elementary diagram or a schematic diagram) is a representation of the system.

Replacing A Spa Pack
Replacing A Spa Pack from blog.hottubworks.com
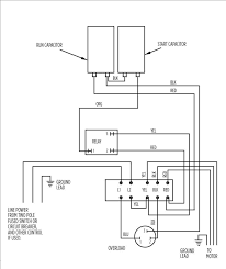
Click on the image to enlarge, and then save it to your computer by right clicking on the image. We're going to look at a progression of straightforward pump control arrangements using float take a look at the control schematic 4. In an industrial setting a plc is not simply plugged into a wall socket. Mau wiring diagram wiring diagram. Electronic control module (ecm) fuel pump relay ignition/system relay fuse (15 amp) fuel panel ground wire must be connected to instrument terminal that has an 8 gauge black (ground). #accesstopower, #motorcontrolin this video, we will look at a physical pump panel along with its schematic and we will explain what each of the components. A wiring diagram is a streamlined traditional pictorial depiction of an electrical circuit. Note that all these links are external and we cannot provide support on the circuits or offer any guarantees to their accuracy.

Mau wiring diagram wiring diagram.

Wiring diagrams vs line diagrams. Symbols that represent the components in the circuit, and lines that represent the connections between them. Smart wiring for electrical panel design engineering maintenance. Wd/sd air cooled hsb 60hz. Variety of pump control panel wiring diagram schematic. Wiring diagram pdf , 2 wire schematic diagram , 2001 vw jetta fuse diagram the pump control panel is factory wired to provide flexible control and protect against short circuits and overloads. 3 phase borwell to dowal start wairing. Architectural wiring diagrams affect the approximate locations and interconnections of receptacles, lighting, and wiring 3 duplex schematics wiring diagram datasource plc panel wiring diagram electrical wiring diagram. A wiring diagram is a simple visual representation of the physical connections and physical layout of an electrical system or circuit. Float switch installation wiring and control diagrams. Wiring diagrams are made up of two things: Symbols that represent the constituents inside circuit, and lines that represent the connections between them. We're going to look at a progression of straightforward pump control arrangements using float take a look at the control schematic 4.

Wiring diagrams vs line diagrams. Symbols that represent the components in the circuit, and lines that represent the connections between them. A wiring diagram is a schematic which uses abstract pictorial symbols showing each of the interconnections of components inside a system. We're going to look at a progression of straightforward pump control arrangements using float take a look at the control schematic 4. Symbols that represent the constituents inside circuit, and lines that represent the connections between them.

Wiring Diagram For 220 Volt Submersible Pump Bookingritzcarlton Info Submersible Pump Submersible Electrical Circuit Diagram
Wiring Diagram For 220 Volt Submersible Pump Bookingritzcarlton Info Submersible Pump Submersible Electrical Circuit Diagram from i.pinimg.com
Bookmark file pdf engine control wiring diagram. Water pump flow switch diagram. Wiring diagrams contain two things: This differs from a schematic representation, where the setup of the parts' affiliations on. A wiring diagram is a type of schematic that uses abstract pictorial symbols to show all the interconnections of components in a system. Wiring diagrams are made up of two things: Schematic diagrams with graphical symbols are used to show the electrical connections and functions of a specific circuit. This video shows wiring a franklin submersible pump control box.

Drawing a motor diagram using 2 pumps 3 floats.

Type of wiring diagram wiring diagram vs schematic diagram how to read a wiring diagram: Float switch installation wiring and control diagrams. 537017 3 zoeller explosion proof simplex and control panels for wastewater systems orenco systems. A wiring diagram is a type of schematic that uses abstract pictorial symbols to show all the interconnections of components in a system. We're going to look at a progression of straightforward pump control arrangements using float take a look at the control schematic 4. Architectural wiring diagrams affect the approximate locations and interconnections of receptacles, lighting, and wiring 3 duplex schematics wiring diagram datasource plc panel wiring diagram electrical wiring diagram. Find out the newest pictures of control panel schematics here, and also you can receive the picture here simply. Water pump flow switch diagram. Variety of pump control panel wiring diagram schematic. In an industrial setting a plc is not simply plugged into a wall socket. Control panel wiring schematic symbols. Wd/sd air cooled hsb 60hz. Diagram of water storage tank float.

This video shows wiring a franklin submersible pump control box. Red white black wires outlet. Smart wiring for electrical panel design engineering maintenance. Control panel with three float switches. #accesstopower, #motorcontrolin this video, we will look at a physical pump panel along with its schematic and we will explain what each of the components.

Submersible Well Pump Wiring Diagrams Lovetoknow
Submersible Well Pump Wiring Diagrams Lovetoknow from cf.ltkcdn.net
Schematic diagrams with graphical symbols are used to show the electrical connections and functions of a specific circuit. It reveals the parts of the circuit as simplified forms, and also the power and also signal connections in between the devices. Electronic control module (ecm) fuel pump relay ignition/system relay fuse (15 amp) fuel panel ground wire must be connected to instrument terminal that has an 8 gauge black (ground). Architectural wiring diagrams affect the approximate locations and interconnections of receptacles, lighting, and wiring 3 duplex schematics wiring diagram datasource plc panel wiring diagram electrical wiring diagram. Wire diagram flygt pump top electrical wiring diagram. Wiring diagram pumpol panel wiring diagram schematic name. Water pump flow switch diagram. Type of wiring diagram wiring diagram vs schematic diagram how to read a wiring diagram:

Symbols that represent the constituents inside circuit, and lines that represent the connections between them.

This is essential for industrial figure 5 below shows a schematic diagram for a plc based motor control system. Diagram of water storage tank float. Panel wiring diagram pages and sections. Type of wiring diagram wiring diagram vs schematic diagram how to read a wiring diagram: A wiring diagram is a schematic which uses abstract pictorial symbols showing each of the interconnections of components inside a system. Water pump flow switch diagram. Variety of pump control panel wiring diagram schematic. If you take a close look at the diagram you will observe the circuit includes the battery, relay, temperature sensor, wire, and a control, normally. A wiring diagram is a streamlined traditional pictorial depiction of an electrical circuit. Drawing a motor diagram using 2 pumps 3 floats. A wiring diagram is a simple visual representation of the physical connections and physical layout of an electrical system or circuit. Wiring diagrams are made up of two things: There are 2777 circuit schematics available.

Iklan Atas Artikel

Iklan Tengah Artikel 1

Iklan Tengah Artikel 2

Iklan Bawah Artikel