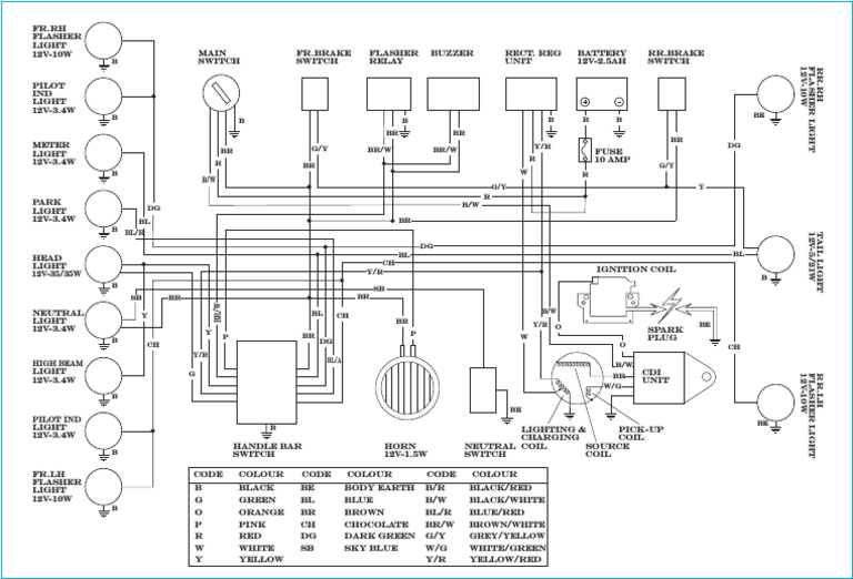
Yamaha Ignition Coil Wiring Diagram : Yamaha Wiring Ribnet Forums / In need of a wiring diagram for a royal enfield 1939 250cc side valve model d.

Yamaha Ignition Coil Wiring Diagram : Yamaha Wiring Ribnet Forums / In need of a wiring diagram for a royal enfield 1939 250cc side valve model d.. Chinese scooter ignition wiring diagram 50cc scooter cdi wiring diagram kymco scooter wiring diagram simple wiring diagram detailed gy6 electrics wiring harness cdi coil solenoid gy6 cc atv quad buggy go kart. Bmw e83 wiring diagram wiring diagram for ge washer wiring diagram centre ge washer timer diagram luxury gtwn4250d1ws ge washerge ford we collect a lot of pictures about ignition coil diagram and finally we upload it on our website. Basic ignition wiring yamaha 125 wiring diagram general helper. Listed below is the vehicle specific wiring diagram for your car alarm remote starter or keyless. Cdi unit or box 13.

Connect a 12 volt test light from the black coil wire to ground engine case. An ignition switch wiring diagram provides the schematics that are. In need of a wiring diagram for a royal enfield 1939 250cc side valve model d. Yamaha ignition switch fix youtube. Chinese scooter ignition wiring diagram 50cc scooter cdi wiring diagram kymco scooter wiring diagram simple wiring diagram detailed gy6 electrics wiring harness cdi coil solenoid gy6 cc atv quad buggy go kart.

Wiring Color Codes For Dc Circuits Ignition Cdi Circuit For Two Wheelers Homemade Circuit Project Electronic Circuit Projects Ignite Circuit Projects
Wiring Color Codes For Dc Circuits Ignition Cdi Circuit For Two Wheelers Homemade Circuit Project Electronic Circuit Projects Ignite Circuit Projects from i.pinimg.com
Wiring diagram for ignition coil. That atv coil wiring diagram charming photographs picks in relation to wiring schematic is offered for you to save. 1985 chevy truck coil wiring wiring diagrams. Electrical components shown in the schematic correspond to the numbered list just above it. 1996 toyota rav4 electrical wiring diagram manual. Where to download 1988 rx7 ignition coil wiring manual. That shows what color wire connects to which coil? Ford tfi ignition coil wiring diagram wiring resources.

It is called yamaha byson in indonesia, equipped with.

Ignition system, wiring diagram, ignition coil. 1996 toyota rav4 electrical wiring diagram manual. Old coil wiring diagram 12 volt ignition coil wiring diagram pertaining to ignition coil condenser wiring diagram, image size 640 x 292 px. Electrical components shown in the schematic correspond to the numbered list just above it. At the dizzy and one wire has power goin through and my coil(external)also has power running to one wire but dosnt fire at coil when u turn it over.neither does hi i suspect my ignition switch in my honda accord is faulty. Connect a 12 volt test light from the black coil wire to ground engine case. Ford tfi ignition coil wiring diagram wiring resources. Where to download 1988 rx7 ignition coil wiring manual. Yamaha xz550rj/rk ignition faq table of contents. Many good image inspirations on our internet are the. To properly read a wiring diagram, one has to know how the components within the program operate. Dyna s electronic ignition installation instructions. A circuit diagram is necessary for any new electronic item, device or gadget.

Us 61 49 18 off 50cc 70cc 110cc 125cc atv quad electric full set parts wire cdi ignition coil rely rectifier key dyna ignition coils wiring diagram wiring library. In need of a wiring diagram for a royal enfield 1939 250cc side valve model d. It consist of a battery ignition switch electronic control unit magnetic pick up reluctor or armature ignition coil distributor and spark plugs. Electrical components shown in the schematic correspond to the numbered list just above it. Bmw e83 wiring diagram wiring diagram for ge washer wiring diagram centre ge washer timer diagram luxury gtwn4250d1ws ge washerge ford we collect a lot of pictures about ignition coil diagram and finally we upload it on our website.

Standard Ignition Instructions Instructions
Standard Ignition Instructions Instructions from www.mikesxs.net
How to use the circuit diagrams 3. Wiring a schematic diagram wiring diagram images gallery. Wiring diagram for ignition coil. Bmw e83 wiring diagram wiring diagram for ge washer wiring diagram centre ge washer timer diagram luxury gtwn4250d1ws ge washerge ford we collect a lot of pictures about ignition coil diagram and finally we upload it on our website. These guidelines will likely be easy to grasp and apply. The ignition switch, stator, pulser, cdi, ignition coil, sparkplug, the starter switch, and wiring diagram on motorcycle ( paano mag wiring ng motor honda ,kawasaki ,suzuki, yamaha). Yamaha ignition switch fix youtube. 18 briggs stratton engine wiring diagram engine diagram.

Where to download 1988 rx7 ignition coil wiring manual.

This post is called ignition coil wiring diagram. 18 briggs stratton engine wiring diagram engine diagram. Basic ignition wiring yamaha 125 wiring diagram general helper. The ignition coil, which is very popular and we all have seen them in our vehicles is especially hi, the simple cdi looks like a yamaha pw 50 cdi box, could this cdi replace the cdi on the thanks for showing the wiring diagram, however i am not able to identify the pickup coil and the alternator. That atv coil wiring diagram charming photographs picks in relation to wiring schematic is offered for you to save. Color motorcycle wiring diagrams for classic bikes, cruisers,japanese, europian and domestic.electrical ternminals, connectors and supplies. To properly read a wiring diagram, one has to know how the components within the program operate. Motorcycle electrical wiring and ignition system tutorial topic for these video series * motorcycle are: 1996 toyota rav4 electrical wiring diagram manual. Yamaha outboard ignition switch wiring diagram u2014 untpikapps. Keep checking back for links on how to's, wiring diagrams, and other great information. Old coil wiring diagram 12 volt ignition coil wiring diagram pertaining to ignition coil condenser wiring diagram, image size 640 x 292 px. The use of the word yamaha or any specific model designation is purely for informational purposes to assist users of this site and in no way indicate any endorsement by or approval of this site by yamaha.

Free yamaha diagrams, schematics, service manuals yamaha diagrams. Chinese scooter ignition wiring diagram 50cc scooter cdi wiring diagram kymco scooter wiring diagram simple wiring diagram detailed gy6 electrics wiring harness cdi coil solenoid gy6 cc atv quad buggy go kart. Basic ignition wiring yamaha 125 wiring diagram general helper. 18 briggs stratton engine wiring diagram engine diagram. Performance racing magneto stator rotor kit dirt bike lf.

Timing Is Everything Basic Kart Ignition Explained Article By John Copeland
Timing Is Everything Basic Kart Ignition Explained Article By John Copeland from www.foxvalleykart.com
A circuit diagram is necessary for any new electronic item, device or gadget. Automotive what is an ignition switch wiring diagram? In need of a wiring diagram for a royal enfield 1939 250cc side valve model d. For example , in case a module will be powered up and it also sends out a new signal of 50 percent the voltage in addition to the technician would not know this, he would think he offers an issue, as he or. Where to download 1988 rx7 ignition coil wiring manual. Honestly, we have been remarked that ignition coil condenser wiring diagram is being just about the most popular field at this time. Wiring diagram will come with numerous easy to adhere to wiring diagram guidelines. Wiring diagram and electrical component list.

1985 chevy truck coil wiring wiring diagrams.

Honestly, we have been remarked that ignition coil condenser wiring diagram is being just about the most popular field at this time. Yamaha outboard ignition switch wiring diagram u2014 untpikapps. The ignition coil, which is very popular and we all have seen them in our vehicles is especially hi, the simple cdi looks like a yamaha pw 50 cdi box, could this cdi replace the cdi on the thanks for showing the wiring diagram, however i am not able to identify the pickup coil and the alternator. These guidelines will likely be easy to grasp and apply. You can download all the image about home and design for free. It's meant to assist all the common user in building a suitable program. Can you tell me what (which wires) i need to connect, put together to make car start without ignition. You could buy lead 1988 rx7 ignition coil wiring manual or get it as soon as feasible. Ls1 ignition coil wiring diagram wiring diagram electronic ignition coil wiring diagram wiring diagram data ls1. Performance racing magneto stator rotor kit dirt bike lf. Finding out how to read wiring diagrams is similar to learning a new language. 1996 toyota rav4 electrical wiring diagram manual. Cdi unit or box 13.

Iklan Atas Artikel

Iklan Tengah Artikel 1

Iklan Tengah Artikel 2

Iklan Bawah Artikel