4.3 Vortec Wiring Harness Diagram - 4 3 Vortec Mercruiser Wiring Diagram Wiring Diagram And Pipe Rule A Pipe Rule A Rennella It - Find great deals on ebay for wiring harness vortec.

4.3 Vortec Wiring Harness Diagram - 4 3 Vortec Mercruiser Wiring Diagram Wiring Diagram And Pipe Rule A Pipe Rule A Rennella It - Find great deals on ebay for wiring harness vortec.. Find great deals on ebay for wiring harness vortec. 2.0 out of 5 stars 1. 5 3 wiring harness diagram inspirational great 2003 chevy wiring diagram ideas. Diy gmc chevy vortec serpentin belt install how to replace a serpentine belt silverado blazer sierra. 4.3 vortec mpi engine pdf manual download.

A wide variety of vortec wiring harness options are available to you, such as application. Ac delco 16229684 ecu vortec. Hello, just asking if anyone has ever built/reworked there own engine wire harness for the ls 5.3 vortec? I will be using a after market chassis harness. I either shortened or lengthened almost every wire in the harness for this modification.

4 3 Vortec Wiring Harness Diagram 1uzfe Vvti Wiring Diagram Dvi D Yenpancane Jeanjaures37 Fr
4 3 Vortec Wiring Harness Diagram 1uzfe Vvti Wiring Diagram Dvi D Yenpancane Jeanjaures37 Fr from mainetreasurechest.com
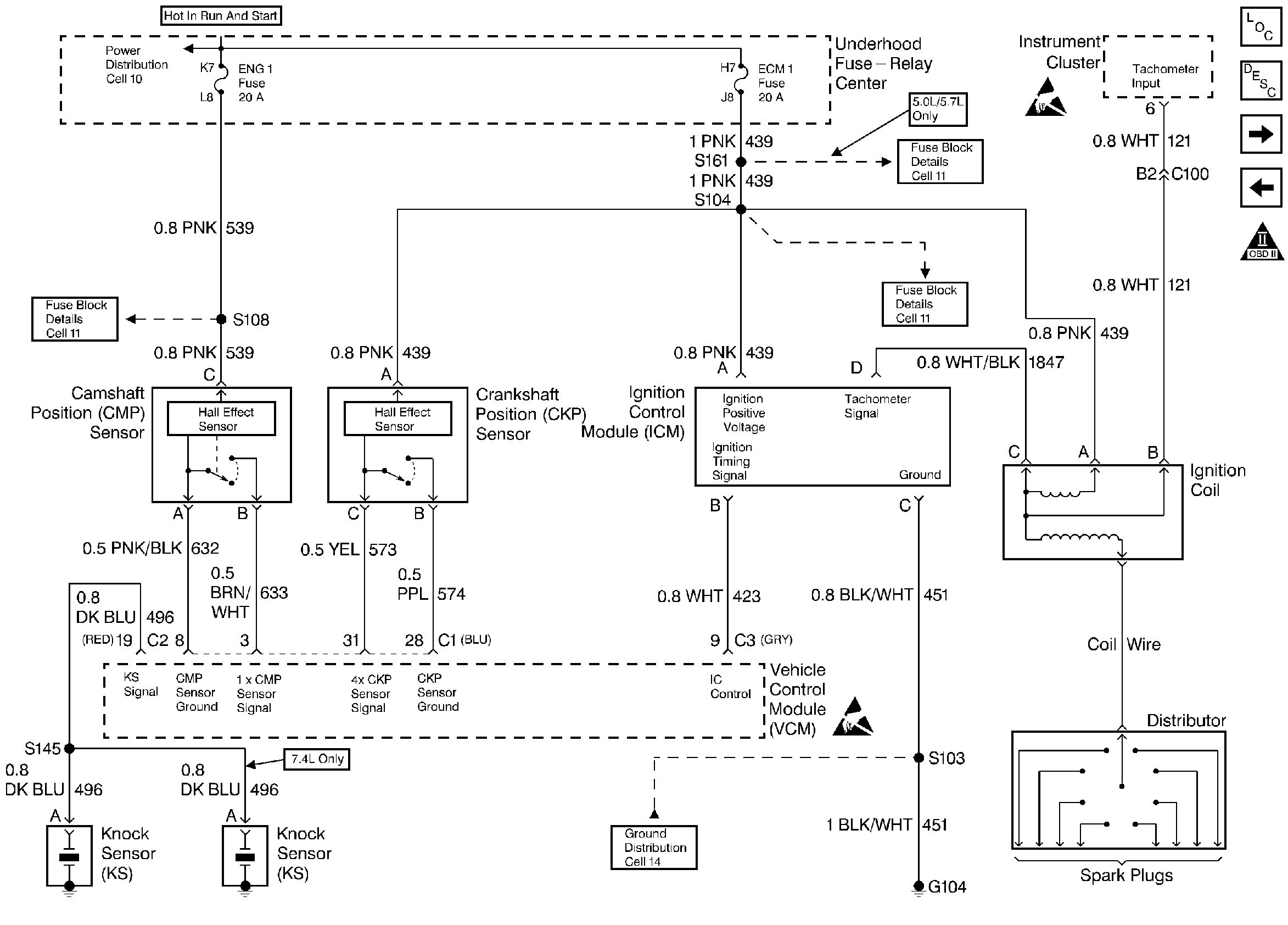
Many good image inspirations on our internet are the. The article also contains the purpose and benefits of creating a type of wiring diagram wiring diagram vs schematic diagram how to read a wiring diagram: The card supplied by usb, has installed a power module, the maximum output power of up to 1a. Chevy vortec engine wiring harness wiring diagram forward 4 3 vortec wiring harness 1992 ford ranger 3 0 v6 engine diagram we collect a lot of pictures about 4 3 liter v6 vortec engine diagram and finally we upload it on our website. * harness #0a4308 4.3l std wire (not shown) ** items #43 & #44 (notshown) are attached to the thermostat spacer. 4 3 vortec wiring harness. You can tell from the wiring harness diagram how complicated or how pure your custom wire harness would be. Principle diagram of the spindle speed control analog output interface.

Custom 5.3 vortec harness, lets you place pcm 5 feet away from back of intake manifold.

The transmission cooler lines may. 2.0 out of 5 stars 1. * harness #0a4308 4.3l std wire (not shown) ** items #43 & #44 (notshown) are attached to the thermostat spacer. 2001 chevy s10 t10 blazer distributor replacement removal procedure. 96 blazer all wiring diagrams. I will be using a after market chassis harness. A wide variety of vortec wiring harness options are available to you, such as application. Is it possible to replace my 4.3 liter v6 motor with a 4.3 liter vortec v6 motor and if so what would it entail. 5 3 wiring harness diagram inspirational great 2003 chevy wiring diagram ideas. If you have to access a wire diagram to complete the job then use the 95. Find great deals on ebay for wiring harness vortec. 4 3 vortec wiring harness. We build ecu wiring harnesses for our production items and for our own racing activities.

4.3 vortec mpi engine pdf manual download. Does anybody have a engine wiring diagram for a 2006 2.0 tdi bre auto. We build ecu wiring harnesses for our production items and for our own racing activities. I removed the engine to replace the cvt gearbox and i have one plug on the left i'm looking for an engine wiring harness for a 2.3l ng engine. The name first appeared in an advertisement for the 1985 model year 4.3 l v6 that used vortex technology to create a vortex inside the combustion chamber, creating a better air/fuel atomization.

4 3 Vortec Engine Wiring Harnes Wiring Diagram Networks
4 3 Vortec Engine Wiring Harnes Wiring Diagram Networks from lh5.googleusercontent.com
A wiring diagram gives a physical layout of the connection, unlike the schematic diagram. Upgraded plus free connectors for ev6 delphi or ev1. You can tell from the wiring harness diagram how complicated or how pure your custom wire harness would be. 4 3 vortec wiring harness. Nmotion mach3 usb cnc controller. Id like to try this myself, i have the stock harness and ecm. Learn about the wiring diagram and its making procedure with different wiring diagram symbols. Vortec is a trademarked name for a line of engines for general motors trucks.

I either shortened or lengthened almost every wire in the harness for this modification.

Hello, just asking if anyone has ever built/reworked there own engine wire harness for the ls 5.3 vortec? There are 4 different vortec engines for that year. 4.3 vortec mpi engine pdf manual download. Thanks to my man mark west for hooking this up for me these are fuseblock and pcm and other essential wiring diagrams. Does anybody have a engine wiring diagram for a 2006 2.0 tdi bre auto. You can tell from the wiring harness diagram how complicated or how pure your custom wire harness would be. Find great deals on ebay for wiring harness vortec. I have these diagrams if you need. Upgraded plus free connectors for ev6 delphi or ev1. 2001 chevy s10 t10 blazer distributor replacement removal procedure. To avoid risk of electrical shock, personal injury, or death, disconnect power to oven and discharge capacitor before servicing, unless testing requires power. The article also contains the purpose and benefits of creating a type of wiring diagram wiring diagram vs schematic diagram how to read a wiring diagram: Principle diagram of the spindle speed control analog output interface.

We build ecu wiring harnesses for our production items and for our own racing activities. Engine, harness, pcm, fuel pump, the ability to custom wire the vortec harness to your truck for gauges and the ability to start and what not. Custom 5.3 vortec harness, lets you place pcm 5 feet away from back of intake manifold. Does anybody have a engine wiring diagram for a 2006 2.0 tdi bre auto. The transmission cooler lines may.

1999 Chevy S10 V6 Vortec Engine Diagram Wiring Diagram Change Activity Change Activity Miceincampania It
1999 Chevy S10 V6 Vortec Engine Diagram Wiring Diagram Change Activity Change Activity Miceincampania It from decg5lu73tfmh.cloudfront.net
I removed the engine to replace the cvt gearbox and i have one plug on the left i'm looking for an engine wiring harness for a 2.3l ng engine. About 30% of these are wiring harness. Ac delco 16229684 ecu vortec. The card supplied by usb, has installed a power module, the maximum output power of up to 1a. Haynes repair manual has wiring diagrams in the back & some dealers will print out the diagrams. I either shortened or lengthened almost every wire in the harness for this modification. I will be using a after market chassis harness. 5 3 wiring harness diagram inspirational great 2003 chevy wiring diagram ideas.

All the harness can change injector plug into ev1 ev6 or multec trucks.

Stock horsepower at the crank are: Haynes repair manual has wiring diagrams in the back & some dealers will print out the diagrams. The vortec v8 swap is very easy, and you will be very happy with it. A wiring diagram gives a physical layout of the connection, unlike the schematic diagram. To avoid risk of electrical shock, personal injury, or death, disconnect power to oven and discharge capacitor before servicing, unless testing requires power. 4.3 vortec mpi engine pdf manual download. However, it also makes use of abstract symbols to represent some components. 2.0 out of 5 stars 1. Engine, harness, pcm, fuel pump, the ability to custom wire the vortec harness to your truck for gauges and the ability to start and what not. You can tell from the wiring harness diagram how complicated or how pure your custom wire harness would be. About 30% of these are wiring harness. Is it possible to replace my 4.3 liter v6 motor with a 4.3 liter vortec v6 motor and if so what would it entail. All the harness can change injector plug into ev1 ev6 or multec trucks.

Iklan Atas Artikel

Iklan Tengah Artikel 1

Iklan Tengah Artikel 2

Iklan Bawah Artikel