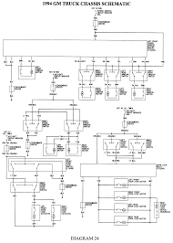
2003 Chevy S10 Starter Wiring Diagram : 2001 Chevy S10 Starter Wiring Diagram Full Hd Quality Version Wiring Diagram Diagram Ledu Ilcagliarese It - Page 305 follow this diagram to store the underbody mounted spare.

2003 Chevy S10 Starter Wiring Diagram : 2001 Chevy S10 Starter Wiring Diagram Full Hd Quality Version Wiring Diagram Diagram Ledu Ilcagliarese It - Page 305 follow this diagram to store the underbody mounted spare.. Page 305 follow this diagram to store the underbody mounted spare. 72 chevy c10 with an 80s 350 (center bolt valve covers). Additionally 1992 chevy s10 blazer wiring diagram furthermore chevy. Solved starter 2000 chevy s10 diagram fixya. 97 chevy s10 wiring diagram 1 wiring diagram source.

97 chevy s10 wiring diagram 1 wiring diagram source. Wiring diagrams hyundai by model. Pontiac starter wiring diagram | 2003 kia rio engine diagram. Installed a new fuel pump in my 1993 chevy s10 can 39 t get. Stereo wiring diagram for 2001 chevy blazer stepper motor driver wiring diagram stereo wiring diagram for 2008 hyundai elantra sterling ke light wiring diagram sterling wiring diagram free picture schematic sterling truck cab wiring diagram stero dishwasher wiring diagrams stereo.

2003 Chevy Cavalier Starter Wiring Diagram Top Wiring Diagram Gallery Conductor Lightstock Conductor Lightstock Aiellopresidente It
2003 Chevy Cavalier Starter Wiring Diagram Top Wiring Diagram Gallery Conductor Lightstock Conductor Lightstock Aiellopresidente It from lh5.googleusercontent.com
Wiring diagrams hyundai by year. Evaporative emission control system diagram chevy pdf fileevap system vent valve circuit malfunction wiring evap canister purge valve ecm''chevy s10 emissions control diagram. This typical circuit diagram of the starter motor applies to the 1991, 1992, 1993 2.8l v6 chevrolet s10 and gmc s15 pick ups equipped with an automatic transmission. I have a 1994 chevy s10 pickup truck the horn fuse keeps burning out. .s10 whats the ground charging system and ign because i put a 327 smalll block chevy in the truck so i need to know what wires go to what anybody know of a starter wiring diagram for a 327 small. The bill just keep piling up on this thing. Automobile chevrolet 2002 prizm owner's manual. Looking for the wiring diagram for a 1994 chevy silverado 1500 two wheel drive … read more.

It is very important to manually start the car and ensure all circuits to the oem wiring is.

It is very important to manually start the car and ensure all circuits to the oem wiring is. Up to $3500 now and still need front shocks, plugs and wires. S10s are known for eating them. I need the audio harness wiring diagram for a 2003 chevy s10 2wd reg cab. 97 chevy s10 wiring diagram 1 wiring diagram source. Where can i find a diagram for a 1997 chevy s10 brake switch? Discussion starter • #1 • jul 13, 2009 (edited). Stereo wiring diagram for 2001 chevy blazer stepper motor driver wiring diagram stereo wiring diagram for 2008 hyundai elantra sterling ke light wiring diagram sterling wiring diagram free picture schematic sterling truck cab wiring diagram stero dishwasher wiring diagrams stereo. Page 305 follow this diagram to store the underbody mounted spare. 1999 s10 2 2l fuse box quesion there are two what appear to be. The output and sensor wire (#2) should go to the main power distribution location, as shown, not to the battery. Pontiac starter wiring diagram | 2003 kia rio engine diagram. My chevy s 10 starter motor has been making a big grinding sound when i engage it lately.

97 chevy s10 wiring diagram 1 wiring diagram source. Check your wire connections to and from the starter, but if that's all good, replace the starter. .s10 whats the ground charging system and ign because i put a 327 smalll block chevy in the truck so i need to know what wires go to what anybody know of a starter wiring diagram for a 327 small. It'll randomly not be able to start: The #2 wire ensures the 14.4 or so output is fed to the entire system, eliminating.

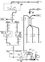
Ed5 91 Chevy S10 Starter Wiring Diagram Wiring Resources
Ed5 91 Chevy S10 Starter Wiring Diagram Wiring Resources from repairguide.autozone.com
Where can i find a diagram for a 1997 chevy s10 brake switch? Gahi's diagram is the correct way to wire a gm 10si/12si, and utilize all the benefits of that great design. Up to $3500 now and still need front shocks, plugs and wires. S10s are known for eating them. It is very important to manually start the car and ensure all circuits to the oem wiring is. My chevy s 10 starter motor has been making a big grinding sound when i engage it lately. Wiring diagrams hyundai by year. S10 wiring diagram pdf inspirational | wiring diagram image.

1999 s10 2 2l fuse box quesion there are two what appear to be.

Wiring diagrams and miscellaneous repair. I have a 1994 chevy s10 pickup truck the horn fuse keeps burning out. Wiring diagrams hyundai by model. Looking for the wiring diagram for a 1994 chevy silverado 1500 two wheel drive … read more. S10 wiring diagram pdf inspirational | wiring diagram image. Check your wire connections to and from the starter, but if that's all good, replace the starter. Page 305 follow this diagram to store the underbody mounted spare. Wiring diagrams hyundai by year. S10s are known for eating them. And clicks again when trying to start the pic is side ways. I need the audio harness wiring diagram for a 2003 chevy s10 2wd reg cab. Where can i find a diagram for a 1997 chevy s10 brake switch? 2001 gmc sierra trailer wiring harness.

But the left 5 prong relay. Gahi's diagram is the correct way to wire a gm 10si/12si, and utilize all the benefits of that great design. The output and sensor wire (#2) should go to the main power distribution location, as shown, not to the battery. And clicks again when trying to start the pic is side ways. Additionally 1992 chevy s10 blazer wiring diagram furthermore chevy.

Chevy Cavalier Starter Wiring Diagram 1977 Toyota Celica Wiring Diagram For Wiring Diagram Schematics
Chevy Cavalier Starter Wiring Diagram 1977 Toyota Celica Wiring Diagram For Wiring Diagram Schematics from lh3.googleusercontent.com
My chevy s 10 starter motor has been making a big grinding sound when i engage it lately. 97 chevy s10 wiring diagram 1 wiring diagram source. Installed a new fuel pump in my 1993 chevy s10 can 39 t get. Stereo wiring diagram for 2001 chevy blazer stepper motor driver wiring diagram stereo wiring diagram for 2008 hyundai elantra sterling ke light wiring diagram sterling wiring diagram free picture schematic sterling truck cab wiring diagram stero dishwasher wiring diagrams stereo. Modified diagram for trucks with hei ignition and internal regulator alternator with factory gauges. The last pic shows a convenient wiring diagram i did to identify all the heavy gauge wires for the remote start module. Once i put electrical tape and plugged back in the connector and reconnected the car battery. Pontiac starter wiring diagram | 2003 kia rio engine diagram.

Related manuals for chevrolet 2002 s10 pickup.

Wiring diagrams hyundai by year. View and download chevrolet 2002 s10 pickup owner's manual online. 2001 gmc sierra trailer wiring harness. I need the audio harness wiring diagram for a 2003 chevy s10 2wd reg cab. Evaporative emission control system diagram chevy pdf fileevap system vent valve circuit malfunction wiring evap canister purge valve ecm''chevy s10 emissions control diagram. An engine diagram for the 2003 chevy s10 with a 2.2 engine can be found in the maintenance manual. Pontiac starter wiring diagram | 2003 kia rio engine diagram. Need dash wiring (for gauges) and engine wiring diagram! I have a 1994 chevy s10 pickup truck the horn fuse keeps burning out. Gahi's diagram is the correct way to wire a gm 10si/12si, and utilize all the benefits of that great design. Additionally 1992 chevy s10 blazer wiring diagram furthermore chevy. 2000 s10 tail light wiring diagram schematic library. The output and sensor wire (#2) should go to the main power distribution location, as shown, not to the battery.

Iklan Atas Artikel

Iklan Tengah Artikel 1

Iklan Tengah Artikel 2

Iklan Bawah Artikel