Xv750 Bare Bones Wiring : 77 Cb550 Bare Bones Wiring Diagram : I used to be a huge fan of using linux for my everyday desktop.

Xv750 Bare Bones Wiring : 77 Cb550 Bare Bones Wiring Diagram : I used to be a huge fan of using linux for my everyday desktop.. This is the first step in creating your own operating system. You don't need to get scared because building a café racer means that you can ditch a lot of functions! Requires class compliant usb camera/capture device for input (logitech brand highly recommended as most reliable). Xv750 virago motorcycle wiring explained. A barebones computer system is the ideal solution if you want to build your own pc, and at overclockers uk we have a wide choice of systems.

And some for a xv 250 too. Yamaha virago xv 750 scrambler by chiefpep. (optional) talk to biggorf nearby; It is a simplistic and vibrant pack that is fun to use and makes your own minecraft worlds look colourful! Yamaha xv 1000 teil 21 diskrepanzen.

ViragoTechForum.com • View topic - 85 xv700 bare bones
ViragoTechForum.com • View topic - 85 xv700 bare bones from i1223.photobucket.com
The 6th signal (cts?) is not used. This is the first step in creating your own operating system. If you have a suspension question, send it to email protected. I used to be a huge fan of using linux for my everyday desktop. Bare bones is a texture pack with the purpose of bringing your world and the default minecraft textures to it's 'bare bones'. Wiring a motorbike (or caferacer) 'bare bones' (part 2 of 2) yamaha xv 1000,teil 21: 1983 yamaha xv750 w/920 engine bare bones wiring diagram using the m.unit blue. Barebones is an interpreter for the bare bones programming language defined in chapter 11 of _computer science:

Wiring a motorbike (or caferacer) 'bare bones' (part 2 of 2) yamaha xv 1000,teil 21:

Bare bones is a texture pack with the purpose of bringing your world and the default minecraft textures to it's 'bare bones'. Jim bones bacon has tuned the suspension of the biggest names in motocross, including jeremy mcgrath, ricky carmichael, ryan villopoto and adam cianciarulo. This is the first step in creating your own operating system. If you want to go down to the bare essentials for your your café racer wiring you need If you have a suspension question, send it to email protected. Yamaha virago xv 750 scrambler by chiefpep. The book is really small ~80 pages: Wiring a motorbike or caferacer bare bones part 2 of 2. Barebones is an interpreter for the bare bones programming language defined in chapter 11 of _computer science: I have to be honest and say the only linux usage i have had… Yamaha xv 1000 / 1100 bare bones wiring (for dummies). This is part 1 of 2 video's about how to sort your wiring on a motorbike. Exported a.rsc file from one 750 i want to transfer to another 750.

If you want to go down to the bare essentials for your your café racer wiring you need This is part 1 of 2 video's about how to sort your wiring on a motorbike. The 6th signal (cts?) is not used. How to install a bare bones debian server and remotely manage it via ssh. Like us on facebook 1977 honda cb750a hondamatic cafe racer/urban brawler.

I have made a Yamaha 400cc virago into a chopper but now i need a wiring diagram can you help me ...
I have made a Yamaha 400cc virago into a chopper but now i need a wiring diagram can you help me ... from ww2.justanswer.com
Bare bones tci wiring with relays, diodes, 4 stage key, and advanced timing. The 6th signal (cts?) is not used. Bafang bbs02 750w bare bones kit. I've been looking around and maybe i'm just too fucktarded to find it but is there a bare bones simplistic diagram anywhere in the forum that shows how to do a. He talks about a vitality formula but won't tell you any more until you bring him his secret ingredient. The book is really small ~80 pages: It doesn't get any better. An overview_, 9th edition bare bones does not provide any i/o facilities.

Exported a.rsc file from one 750 i want to transfer to another 750.

28,131 likes · 74 talking about this. The 6th signal (cts?) is not used. 2001 yamaha xv250 military inspired. 1983 yamaha xv750 w/920 engine bare bones wiring diagram using the m.unit blue. Barebones is an interpreter for the bare bones programming language defined in chapter 11 of _computer science: Like us on facebook 1977 honda cb750a hondamatic cafe racer/urban brawler. Exported a.rsc file from one 750 i want to transfer to another 750. He talks about a vitality formula but won't tell you any more until you bring him his secret ingredient. Yamaha xv 1000 / 1100 bare bones wiring (for dummies). I have to be honest and say the only linux usage i have had… He says that he's seen people giving degenhard bone chips. If you have a suspension question, send it to email protected. Jim bones bacon has tuned the suspension of the biggest names in motocross, including jeremy mcgrath, ricky carmichael, ryan villopoto and adam cianciarulo.

Outrageously delicious and unexpectedly nutritious broth for cooking & sipping. Unprofessionaljoe 1.890 views6 months ago. Exported a.rsc file from one 750 i want to transfer to another 750. You don't need to get scared because building a café racer means that you can ditch a lot of functions! Jim bones bacon has tuned the suspension of the biggest names in motocross, including jeremy mcgrath, ricky carmichael, ryan villopoto and adam cianciarulo.

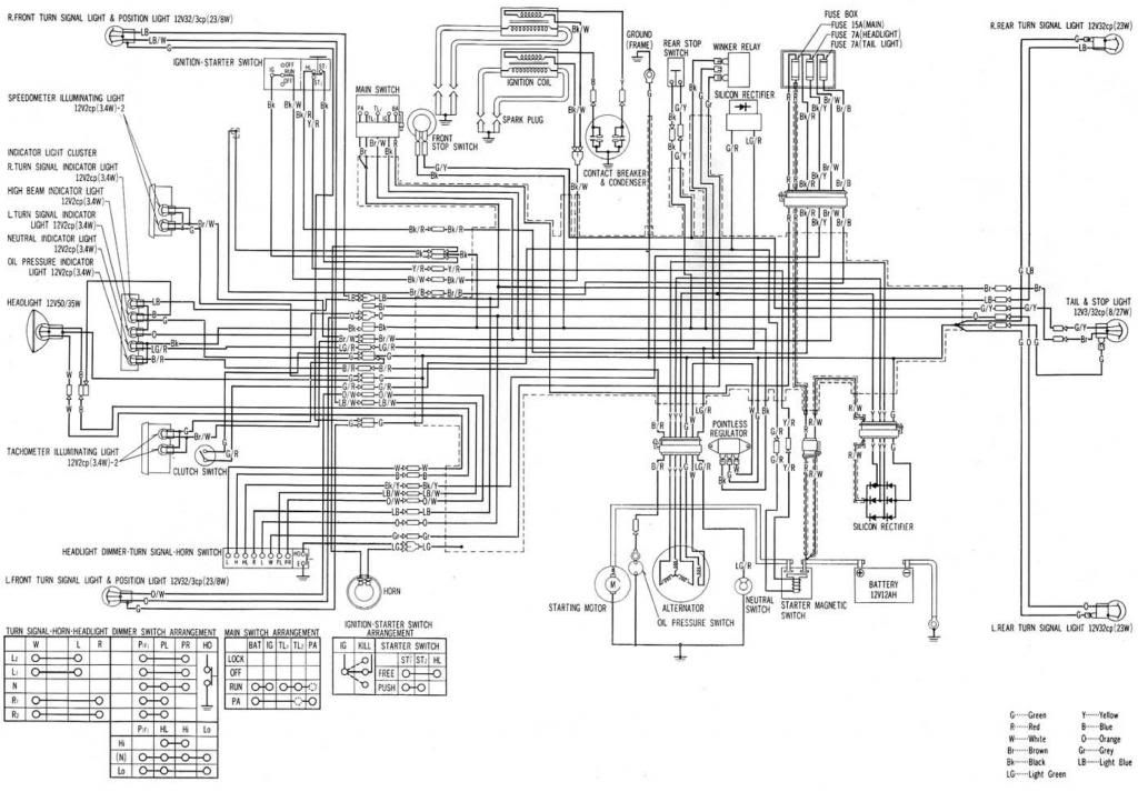
Picture 1 of 6 from Honda CB750 Wiring Diagrams
Picture 1 of 6 from Honda CB750 Wiring Diagrams from www.cb750.com
Search newegg.com for barebones laptops. He talks about a vitality formula but won't tell you any more until you bring him his secret ingredient. 28,131 likes · 74 talking about this. Yamaha xv750 virago used here but it's basically the same for most bikes. Yamaha virago xv 750 scrambler by chiefpep. The book is really small ~80 pages: Wiring a motorbike or caferacer bare bones part 2 of 2. The book is split into chapters, each will help you understand the some part of operating system like file system or process management and also explains the xv6 source code side by side, so you don't have to just scan the code to understand by yourself.

Yamaha xv 1000 / 1100 bare bones wiring (for dummies).

An overview_, 9th edition bare bones does not provide any i/o facilities. Exported a.rsc file from one 750 i want to transfer to another 750. Wiring a motorbike (or caferacer) 'bare bones' (part 2 of 2) yamaha xv 1000,teil 21: The 6th signal (cts?) is not used. This is the first step in creating your own operating system. You don't need to get scared because building a café racer means that you can ditch a lot of functions! Yamaha xv 1000 / 1100 bare bones wiring (for dummies). Ready to put some new wiring on your café racer project? Unprofessionaljoe 1.890 views6 months ago. Yamaha xv750 virago used here but it's basically the same for most bikes. Bare bones tci wiring with relays, diodes, 4 stage key, and advanced timing. Healthy broth for cooking & sipping. Unfortunately, he doesn't tell you what the ingredient is.

Iklan Atas Artikel

Iklan Tengah Artikel 1

Iklan Tengah Artikel 2

Iklan Bawah Artikel