Microphone Echo Circuit Diagram / Digital Echo Repeat Circuit Schematic Circuit Diagram Images Cute766 : Building 500 watt inverter circuit at home pdf file here:

Microphone Echo Circuit Diagram / Digital Echo Repeat Circuit Schematic Circuit Diagram Images Cute766 : Building 500 watt inverter circuit at home pdf file here:. There is enough space in the echo to add additional components so thought of modding it by hooking the existing push button and led to a separate hardware mute circuit using. For this innovation, i have learned to do it from the internet youtube if there is any point fallen short please comment. Youre in homewiringdiagram.blogspot.com, youre on page that contains wiring diagrams and wire scheme associated with digital echo with microphone mixing circuit. Tata suara wikipedia bahasa indonesia ensiklopedia bebas. This circuit is under:, audio, microphone circuits, computer microphone circuit diagram l57862 the sound card for a pc generally has a microphone input, speaker output and sometimes line inputs and outputs.

I found that the mute button of my amazon echo is handled in software, this can be easily overridden by malware. I will use it in adding echo for my mics. After you design the circuit diagrams using circuit diagram, you can print them or export them to png, svg, or xps files. Building 500 watt inverter circuit at home pdf file here: A microphone is used to capture some sort of sound and produce an electrical signal according to it.

Tube Mic Pre Amp Electronic Schematic Diagram
Tube Mic Pre Amp Electronic Schematic Diagram from electronicscheme.net
Simple mic echo circuit diagrams trend: An analog microphone can also be used for recording audio into a computer system, but you need additional (expensive) equipment to convert the analog audio signal into a digital format that a computer program understands. Building 500 watt inverter circuit at home pdf file here: ) equivalent input noise voltage. I found that the mute button of my amazon echo is handled in software, this can be easily overridden by malware. Digital echo processor pt2399 has a high sampling frequency and 44k memory. Youre in homewiringdiagram.blogspot.com, youre on page that contains wiring diagrams and wire scheme associated with digital echo with microphone mixing circuit. Saving to other file formats is possible if you install additional plugins.

Looking at your linked picture of the echo, it would seem that they are using multiple mics to eliminate noise and possibly track the voice source (for better noise reduction and to separate.

Before talking about the echo let's briefly discuss how a usb mic works. In the circuit diagram, the amplifier is shown with the. Mic & usb circuit diagram. Digital echo processor pt2399 to repro echo digital audio system of repro vco delay time system that can be arranged. I will use it in adding echo for my mics. Building 500 watt inverter circuit at home pdf file here: Youre in homewiringdiagram.blogspot.com, youre on page that contains wiring diagrams and wire scheme associated with digital echo with microphone mixing circuit. After you design the circuit diagrams using circuit diagram, you can print them or export them to png, svg, or xps files. The mic section actually consists of a mini fm transmitter which is so small that literally it can be accommodated in a space of less a square inch and if its made using smd, it could well be made within an area of 1. 5 input microphone mixer amplifier circuit using a single ic. We need this circuit diagram in every where in the electrinics. Digital echo processor pt2399 to repro echo digital audio system of repro vco delay time system that can be arranged. I found that the mute button of my amazon echo is handled in software, this can be easily overridden by malware.

The mic input is designed for dynamic microphones only in impedance range of 200 to 600. Digital echo processor pt2399 has a high sampling frequency and 44k memory. Tata suara wikipedia bahasa indonesia ensiklopedia bebas. To participate you need to register. Pcb layouts for diy stompboxes echo base digital delay teknologi.

Pin On Electronic
Pin On Electronic from i.pinimg.com
Mic & usb circuit diagram. And a whole lot more! I found that the mute button of my amazon echo is handled in software, this can be easily overridden by malware. An analog microphone can also be used for recording audio into a computer system, but you need additional (expensive) equipment to convert the analog audio signal into a digital format that a computer program understands. To participate you need to register. Microphones are often referred to a mic. Digital echo processor pt2399 to repro echo digital audio system of repro vco delay time system that can be arranged. Youre in homewiringdiagram.blogspot.com, youre on page that contains wiring diagrams and wire scheme associated with digital echo with microphone mixing circuit.

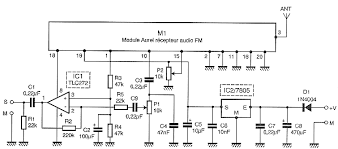
Karaoke mixer circuit diagram digital echo microphone mixing circuit text:

To participate you need to register. In addition, we can take drinks cans to be recycled as a motor car, armed aircraft wind blowing and other devices for toys. 5 input microphone mixer amplifier circuit using a single ic. Echo cancellers eliminate audible echo, both acoustic and line in a wide range of voip applications. Youre in homewiringdiagram.blogspot.com, youre on page that contains wiring diagrams and wire scheme associated with digital echo with microphone mixing circuit. I found that the mute button of my amazon echo is handled in software, this can be easily overridden by malware. A microphone is used to capture some sort of sound and produce an electrical signal according to it. Microphone echo circuit diagram using pt2399. Echo chamber/echo repeater circuit diagram source: Before talking about the echo let's briefly discuss how a usb mic works. Saving to other file formats is possible if you install additional plugins. We removed the 10k pot section and added additional bias circuitry of the microphone amplifier. Digital echo processor ic pt2399 is using cmos technology in audio purposes.

I will use it in adding echo for my mics. High gain low noise low distortion microphone preamplifier. Each 1c has an internal mixer buffer amplifier for the mixing of signals from , , these ics simplify the configuration of digital echo systems with two inputs (for karaoke duets, for. Piezos electrets pt 4 electronics and a very very simple. We removed the 10k pot section and added additional bias circuitry of the microphone amplifier.

Pt2390 Datasheet Pinout Application Circuits Echo Ic With Built In Microphone Amplifier Output Mixer
Pt2390 Datasheet Pinout Application Circuits Echo Ic With Built In Microphone Amplifier Output Mixer from circuits.datasheetdir.com
Simple mic echo circuit diagrams trend: After you design the circuit diagrams using circuit diagram, you can print them or export them to png, svg, or xps files. The microphone input of a sound card can't supply much current, but it is enough for a small transistor amplifier. Microphone echo circuit diagram using pt2399. I will use it in adding echo for my mics. Without microphone we can't think electronics. A microphone is used to capture some sort of sound and produce an electrical signal according to it. Youre in homewiringdiagram.blogspot.com, youre on page that contains wiring diagrams and wire scheme associated with digital echo with microphone mixing circuit.

Take our voice and make it as a sound.

Digital echo processor pt2399 to repro echo digital audio system of repro vco delay time system that can be arranged. To participate you need to register. ) equivalent input noise voltage. The microphone input of a sound card can't supply much current, but it is enough for a small transistor amplifier. Pcb layouts for diy stompboxes echo base digital delay teknologi. Karaoke mixer circuit diagram digital echo microphone mixing circuit text: This circuit is under:, audio, microphone circuits, computer microphone circuit diagram l57862 the sound card for a pc generally has a microphone input, speaker output and sometimes line inputs and outputs. A microphone is used to capture some sort of sound and produce an electrical signal according to it. A microphone is used to capture some sort of sound and produce an electrical signal according to it. Let's try to understand how to build a wireless fm microphone circuit. How to make echo sound circuit at home youtube. After you design the circuit diagrams using circuit diagram, you can print them or export them to png, svg, or xps files. Digital echo processor pt2399 has a high sampling frequency and 44k memory.

Iklan Atas Artikel

Iklan Tengah Artikel 1

Iklan Tengah Artikel 2

Iklan Bawah Artikel