Yamaha 350 Grizzley Atv Wiring Diagram : Diagram 2004 Yamaha 660 Wiring Diagram Full Version Hd Quality Wiring Diagram Cpudiagram Usrdsicilia It : Yamaha grizzly 350 4x4 automotive equipment and transportation atv download pdf instruction manual and user guide.

Yamaha 350 Grizzley Atv Wiring Diagram : Diagram 2004 Yamaha 660 Wiring Diagram Full Version Hd Quality Wiring Diagram Cpudiagram Usrdsicilia It : Yamaha grizzly 350 4x4 automotive equipment and transportation atv download pdf instruction manual and user guide.. Partzilla.com sells genuine oem yamaha atv parts including yamaha grizzly parts, yfz450x parts, wolverine parts, rhino parts and raptor parts. Yamaha raptor 660 parts diagram. When you make use of your finger or follow the circuit with your eyes, it may be easy to mistrace the circuit. Warrior 350 yamaha raptor 1990 2013 yfm350 atv service manual with regard to 2001 yamaha warrior 350 wiring diagram image size 514 x 342 px and to view image details please 2000 yamaha grizzly 600 wiring diagram diagram circuit diagram. Yamaha warrior 350 wiring diagram further mercury power trim wiring.

When you make use of your finger or follow the circuit with your eyes, it may be easy to mistrace the circuit. Yamaha kodiak 400 atvs or all terrain vehicles are an excellent way to enjoy the outdoors. Yamaha atv wiring diagram for headlight. Yamaha atv stator wiring diagram 125cc chinese atv wiring. Yamaha atv wiring diagram from www.untpikapps.com.

2010 Yamaha Grizzly 350 Photo And Video Reviews All Moto Net
2010 Yamaha Grizzly 350 Photo And Video Reviews All Moto Net from all-moto.net
Thank you for choosing the best downloadable manuals available anywhere on the internet. 60 awesome ignition wiring diagram for 99 big bear 350. Yamaha warrior 350 wiring diagram inspiration. One trick that we 2 to printing a similar wiring picture off. Hey bruce, get one of these manuals.they have the wiring diagrams and some according to an atv rider 2009 article, when the grizzly was introduced in 1998 as a 600cc machine, the top was blown right off the displacement wars of the time. Yamaha grizzly atv repair project. Yamaha atv wiring diagram from www.untpikapps.com. With the same high level ultramatic® transmission, suspension and brakes, you'll be hard pressed to find more grunt in this capacity.

Warrior 350 yamaha raptor 1990 2013 yfm350 atv service manual with regard to 2001 yamaha warrior 350 wiring diagram image size 514 x 342 px and to view image details please 2000 yamaha grizzly 600 wiring diagram diagram circuit diagram.

When you make use of your finger or follow the circuit with your eyes, it may be easy to mistrace the circuit. Yamaha atv stator wiring diagram 125cc chinese atv wiring. Yamaha grizzly 600 carb manual 1999 badger 80 carburator overhaul instructions 2004 yamaha 450 kodiak carburetor manual. Recommended maintenance schedules will allow you to keep. Download yamaha grizzly 350 repair manual the yamaha grizzly 350 repair manual includes a complete tear down and rebuild of your machine with detailed photographs and parts diagrams documenting each step in the process. Yamaha 350 atv wiring diagram. Binatani.com › wiring diagrams here is wiring diagram yamaha grizzly 660 for your convenience. Yamaha atv & rhino manuals. All of the manual listed below are full factory service manuals with hundreds of pages containing step by step instructions, full wiring diagrams and detailed illustrations on how to repair, rebuild or maintain virtually anything to. Yamaha kodiak 400 atvs or all terrain vehicles are an excellent way to enjoy the outdoors. Yamaha grizzly atv repair project. View and download yamaha grizzly 350 owner's manual online. Yamaha raptor 660 parts diagram.

Partzilla.com sells genuine oem yamaha atv parts including yamaha grizzly parts, yfz450x parts, wolverine parts, rhino parts and raptor parts. Binatani.com › wiring diagrams here is wiring diagram yamaha grizzly 660 for your convenience. A forum community dedicated to yamaha grizzly owners and enthusiasts. *engine overhaul and rebuilding *trouble codes *repair procedures *complete wiring diagrams *hundreds of illustrations *vacuum diagrams and. Yamaha grizzly 350 4x4 automotive equipment and transportation atv download pdf instruction manual and user guide.

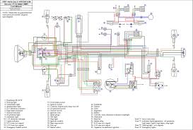
Yamaha Bruin 350 Wiring Diagram Page 1 Line 17qq Com
Yamaha Bruin 350 Wiring Diagram Page 1 Line 17qq Com from img.17qq.com
Yamaha warrior 350 wiring diagram inspiration. Yamaha warrior 350 wiring diagram further mercury power trim wiring. Grizzly 350 offroad vehicle pdf manual download. Print the electrical wiring diagram off and use highlighters to trace the signal. 2013 yamaha atv wiring diagrams wiring diagram blogs. Ngk/dr8ea to install the spark plug 1. All yamaha utility atv and rov. 2004 yamaha xt225 wiring diagram simple wiring schema.

60 awesome ignition wiring diagram for 99 big bear 350.

Руководство по ремонту service manual. *engine overhaul and rebuilding *trouble codes *repair procedures *complete wiring diagrams *hundreds of illustrations *vacuum diagrams and. Wiring diagram for yamaha big bear 350. A forum community dedicated to yamaha grizzly owners and enthusiasts. Details about top end engine rebuild kit yamaha 350 400 atv 83 25mm 0 25mm 54 540 11. Grizzly 350 offroad vehicle pdf manual download. With the same high level ultramatic® transmission, suspension and brakes, you'll be hard pressed to find more grunt in this capacity. One trick that we 2 to printing a similar wiring picture off. Warrior 350 yamaha raptor 1990 2013 yfm350 atv service manual with regard to 2001 yamaha warrior 350 wiring diagram image size 514 x 342 px and to view image details please 2000 yamaha grizzly 600 wiring diagram diagram circuit diagram. Wiringdiagram yamaha big bear 350 | wiring diagram image. All of the manual listed below are full factory service manuals with hundreds of pages containing step by step instructions, full wiring diagrams and detailed illustrations. Partzilla.com sells genuine oem yamaha atv parts including yamaha grizzly parts, yfz450x parts, wolverine parts, rhino parts and raptor parts. View and download yamaha grizzly 350 owner's manual online.

When you make use of your finger or follow the circuit with your eyes, it may be easy to mistrace the circuit. Yamaha warrior 350 wiring diagram further mercury power trim wiring. One trick that we 2 to printing a similar wiring picture off. Grizzly 350 offroad vehicle pdf manual download. Yamaha grizzly atv repair project.

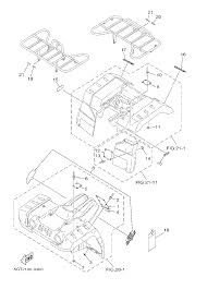
2008 Yamaha Grizzly 350 2wd Yfm35gxl Electrical 1 Babbitts Yamaha Partshouse
2008 Yamaha Grizzly 350 2wd Yfm35gxl Electrical 1 Babbitts Yamaha Partshouse from ea77029b4c67f377227e-af9c1546fb6085fe42babe3fe5c6addf.ssl.cf1.rackcdn.com
Yamaha kodiak 400 atvs or all terrain vehicles are an excellent way to enjoy the outdoors. Yamaha atv & rhino manuals. Руководство по ремонту service manual. Yamaha grizzly atv repair project. All yamaha utility atv and rov. Owning an atv can be an enjoyable experience for you and your whole family. Recommended maintenance schedules will allow you to keep. Yamaha warrior 350 wiring diagram further mercury power trim wiring.

Yamaha atv wiring diagram for headlight.

Wiring diagram 27 yamaha grizzly 660 carburetor diagram. Yamaha ra100 schematic diagram 561 kb. View and download yamaha grizzly 350 owner's manual online. Taotao 110cc atv wiring diagram download. Your source for factory yamaha atv repair manuals for instant download. Yamaha grizzly atv repair project. Yamaha atv wiring diagram for headlight. Thank you for choosing the best downloadable manuals available anywhere on the internet. 2004 kodiak wiring diagram wiring diagram online. 2007 yamaha grizzly 350service manual pdf, stanley bostitch vacuum manual pencil sharpener ,bosch iron sensixx b7 manual ,bosch rexroth indradrive. Home › 2007 yamaha yfm350 grizzly atv repair manual. Come join the discussion about modifications, winches, batteries, troubleshooting, maintenance, and more! Partzilla.com sells genuine oem yamaha atv parts including yamaha grizzly parts, yfz450x parts, wolverine parts, rhino parts and raptor parts.

Iklan Atas Artikel

Iklan Tengah Artikel 1

Iklan Tengah Artikel 2

Iklan Bawah Artikel