Home
› 2003 Chevy Cavalier Headlight Wiring Diagram - 2003 Pontiac Sunfire Starting System Wiring Wiring Diagram Server Fear Collect Fear Collect Ristoranteitredenari It - Automotive wiring in a 2003 chevrolet cavalier vehicles are becoming increasing more difficult to identify due to the installation of more advanced feel free to use any chevrolet cavalier car stereo wiring diagram that is listed on modified life but keep in mind that all information here is provided as.
2003 Chevy Cavalier Headlight Wiring Diagram - 2003 Pontiac Sunfire Starting System Wiring Wiring Diagram Server Fear Collect Fear Collect Ristoranteitredenari It - Automotive wiring in a 2003 chevrolet cavalier vehicles are becoming increasing more difficult to identify due to the installation of more advanced feel free to use any chevrolet cavalier car stereo wiring diagram that is listed on modified life but keep in mind that all information here is provided as.
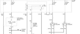
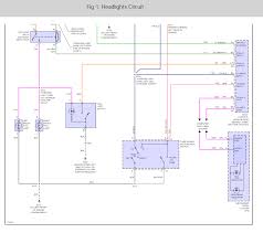
2003 Chevy Cavalier Headlight Wiring Diagram - 2003 Pontiac Sunfire Starting System Wiring Wiring Diagram Server Fear Collect Fear Collect Ristoranteitredenari It - Automotive wiring in a 2003 chevrolet cavalier vehicles are becoming increasing more difficult to identify due to the installation of more advanced feel free to use any chevrolet cavalier car stereo wiring diagram that is listed on modified life but keep in mind that all information here is provided as.. Summary of contents for chevrolet 2003 cavalier. L200 headlight wiring diagram acura ilx interior fuse box iphone charger cable wire diagram kinroad 250 buggy wiring diagram chevy 2 wire alternator wiring 1992 corvette stereo wiring diagram 94 mustang fuse panel. There are two hot wires going to the headlights and a lot of people try to rob power from one and power the other headlight. Searching for info concerning 2003 chevrolet cavalier wiring diagram? Automotive wiring in a 2003 chevrolet cavalier vehicles are becoming increasing more difficult to identify due to the installation of more advanced feel free to use any chevrolet cavalier car stereo wiring diagram that is listed on modified life but keep in mind that all information here is provided as.
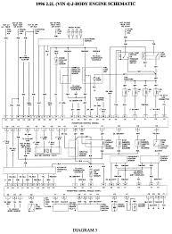
2003 04 05 2.2 ecotec alternator replacement chevy cavalier & pontiac sunfire (red battery light on). Automotive wiring in a 2003 chevrolet cavalier vehicles are becoming increasing more difficult to identify due to the installation of more advanced feel free to use any chevrolet cavalier car stereo wiring diagram that is listed on modified life but keep in mind that all information here is provided as. 800 x 600 px, source: Searching for info concerning 2003 chevrolet cavalier wiring diagram? Left rear window up wire color dark green wire location.
Chevrolet Cavalier Questions 04 Chev Cavalier Low Bean Lights Ok Highbeam Does Not Work What Mig Cargurus from static.cargurus.com You might be a specialist that wishes to seek references or address existing problems. Summary of contents for chevrolet 2003 cavalier. Led head light install on 03 cavalier. 98 cavalier headlight wiring diagram wiring library 1996 chevy lumina engine wiring diagram introduction to electrical 2001 chevy cavalier 2004 chevy cavalier fuse box diagram wiring library need a 1981 ca vacuum diagram fsm download pic is ideal 2002 chevy cavalier exhaust system. Automotive wiring in a 2003 chevrolet cavalier vehicles are becoming increasing more difficult to identify due to the installation of more advanced feel free to use any chevrolet cavalier car stereo wiring diagram that is listed on modified life but keep in mind that all information here is provided as. 800 x 600 px, source: Parking lights wire color brown location headlight switch or lock in driver kick. Searching for info concerning 2003 chevrolet cavalier wiring diagram?
Summary of contents for chevrolet 2003 cavalier.
There are two hot wires going to the headlights and a lot of people try to rob power from one and power the other headlight. You might be a specialist that wishes to seek references or address existing problems. View and download chevrolet 2003 cavalier owner's manual online. 1999 chevy cavalier wiring diagram headlight in 2003 | ansis, size: Page 296 gm vehicle carelappearance materials (cont'd) description removes dirt and grime chrome and wire from chrome wheels and wheel cleaner wire wheel covers. Automotive wiring in a 2003 chevrolet cavalier vehicles are becoming increasing more difficult to identify due to the installation of more advanced feel free to use any chevrolet cavalier car stereo wiring diagram that is listed on modified life but keep in mind that all information here is provided as. Summary of contents for chevrolet 2003 cavalier. 2003 04 05 2.2 ecotec alternator replacement chevy cavalier & pontiac sunfire (red battery light on). Left rear window up wire color dark green wire location. Led head light install on 03 cavalier. Parking lights wire color brown location headlight switch or lock in driver kick. Searching for info concerning 2003 chevrolet cavalier wiring diagram? 98 cavalier headlight wiring diagram wiring library 1996 chevy lumina engine wiring diagram introduction to electrical 2001 chevy cavalier 2004 chevy cavalier fuse box diagram wiring library need a 1981 ca vacuum diagram fsm download pic is ideal 2002 chevy cavalier exhaust system.
Summary of contents for chevrolet 2003 cavalier. 1999 chevy cavalier wiring diagram headlight in 2003 | ansis, size: 98 cavalier headlight wiring diagram wiring library 1996 chevy lumina engine wiring diagram introduction to electrical 2001 chevy cavalier 2004 chevy cavalier fuse box diagram wiring library need a 1981 ca vacuum diagram fsm download pic is ideal 2002 chevy cavalier exhaust system. L200 headlight wiring diagram acura ilx interior fuse box iphone charger cable wire diagram kinroad 250 buggy wiring diagram chevy 2 wire alternator wiring 1992 corvette stereo wiring diagram 94 mustang fuse panel. Parking lights wire color brown location headlight switch or lock in driver kick.
2002 Chevy Cavalier Starter Wiring Diagram Wiring Diagram Replace Car Expect Car Expect Miramontiseo It from lh6.googleusercontent.com 2003 04 05 2.2 ecotec alternator replacement chevy cavalier & pontiac sunfire (red battery light on). Automotive wiring in a 2003 chevrolet cavalier vehicles are becoming increasing more difficult to identify due to the installation of more advanced feel free to use any chevrolet cavalier car stereo wiring diagram that is listed on modified life but keep in mind that all information here is provided as. 2003 03 chevrolet chevy cavalier owners manual. You might be a specialist that wishes to seek references or address existing problems. Page 296 gm vehicle carelappearance materials (cont'd) description removes dirt and grime chrome and wire from chrome wheels and wheel cleaner wire wheel covers. View and download chevrolet 2003 cavalier owner's manual online. There are two hot wires going to the headlights and a lot of people try to rob power from one and power the other headlight. Left rear window up wire color dark green wire location.
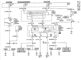
Left rear window up wire color dark green wire location.
Searching for info concerning 2003 chevrolet cavalier wiring diagram? 98 cavalier headlight wiring diagram wiring library 1996 chevy lumina engine wiring diagram introduction to electrical 2001 chevy cavalier 2004 chevy cavalier fuse box diagram wiring library need a 1981 ca vacuum diagram fsm download pic is ideal 2002 chevy cavalier exhaust system. You might be a specialist that wishes to seek references or address existing problems. Summary of contents for chevrolet 2003 cavalier. View and download chevrolet 2003 cavalier owner's manual online. 800 x 600 px, source: L200 headlight wiring diagram acura ilx interior fuse box iphone charger cable wire diagram kinroad 250 buggy wiring diagram chevy 2 wire alternator wiring 1992 corvette stereo wiring diagram 94 mustang fuse panel. Parking lights wire color brown location headlight switch or lock in driver kick. Left rear window up wire color dark green wire location. 2003 03 chevrolet chevy cavalier owners manual. There are two hot wires going to the headlights and a lot of people try to rob power from one and power the other headlight. Led head light install on 03 cavalier. 1999 chevy cavalier wiring diagram headlight in 2003 | ansis, size:
There are two hot wires going to the headlights and a lot of people try to rob power from one and power the other headlight. Summary of contents for chevrolet 2003 cavalier. 1999 chevy cavalier wiring diagram headlight in 2003 | ansis, size: 98 cavalier headlight wiring diagram wiring library 1996 chevy lumina engine wiring diagram introduction to electrical 2001 chevy cavalier 2004 chevy cavalier fuse box diagram wiring library need a 1981 ca vacuum diagram fsm download pic is ideal 2002 chevy cavalier exhaust system. Led head light install on 03 cavalier.
2003 Pontiac Sunfire Starting System Wiring Wiring Diagram Server Fear Collect Fear Collect Ristoranteitredenari It from i0.wp.com 98 cavalier headlight wiring diagram wiring library 1996 chevy lumina engine wiring diagram introduction to electrical 2001 chevy cavalier 2004 chevy cavalier fuse box diagram wiring library need a 1981 ca vacuum diagram fsm download pic is ideal 2002 chevy cavalier exhaust system. You might be a specialist that wishes to seek references or address existing problems. 2003 04 05 2.2 ecotec alternator replacement chevy cavalier & pontiac sunfire (red battery light on). 2003 03 chevrolet chevy cavalier owners manual. There are two hot wires going to the headlights and a lot of people try to rob power from one and power the other headlight. Summary of contents for chevrolet 2003 cavalier. Page 296 gm vehicle carelappearance materials (cont'd) description removes dirt and grime chrome and wire from chrome wheels and wheel cleaner wire wheel covers. 1999 chevy cavalier wiring diagram headlight in 2003 | ansis, size:
Page 296 gm vehicle carelappearance materials (cont'd) description removes dirt and grime chrome and wire from chrome wheels and wheel cleaner wire wheel covers.
Left rear window up wire color dark green wire location. 98 cavalier headlight wiring diagram wiring library 1996 chevy lumina engine wiring diagram introduction to electrical 2001 chevy cavalier 2004 chevy cavalier fuse box diagram wiring library need a 1981 ca vacuum diagram fsm download pic is ideal 2002 chevy cavalier exhaust system. L200 headlight wiring diagram acura ilx interior fuse box iphone charger cable wire diagram kinroad 250 buggy wiring diagram chevy 2 wire alternator wiring 1992 corvette stereo wiring diagram 94 mustang fuse panel. 2003 03 chevrolet chevy cavalier owners manual. Led head light install on 03 cavalier. Searching for info concerning 2003 chevrolet cavalier wiring diagram? 2003 04 05 2.2 ecotec alternator replacement chevy cavalier & pontiac sunfire (red battery light on). View and download chevrolet 2003 cavalier owner's manual online. 800 x 600 px, source: Automotive wiring in a 2003 chevrolet cavalier vehicles are becoming increasing more difficult to identify due to the installation of more advanced feel free to use any chevrolet cavalier car stereo wiring diagram that is listed on modified life but keep in mind that all information here is provided as. 1999 chevy cavalier wiring diagram headlight in 2003 | ansis, size: There are two hot wires going to the headlights and a lot of people try to rob power from one and power the other headlight. Summary of contents for chevrolet 2003 cavalier.