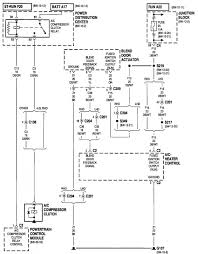
2003 Jeep Grand Cherokee Wiring Diagram : Jeep Cherokee Cooling Fan Relay Wiring Diagram Load Wiring Diagram Sick Review Sick Review Ristorantesicilia It : Fuse box diagrams (location and assignment of electrical fuses and relays) jeep grand cherokee (wj;

2003 Jeep Grand Cherokee Wiring Diagram : Jeep Cherokee Cooling Fan Relay Wiring Diagram Load Wiring Diagram Sick Review Sick Review Ristorantesicilia It : Fuse box diagrams (location and assignment of electrical fuses and relays) jeep grand cherokee (wj;. Fuse box diagrams (location and assignment of electrical fuses and relays) jeep grand cherokee (wj; Eautorepair.net redraws factory wiring diagrams in color and includes the component, splice and ground locations right in their diagrams. Brake light wiring diagram of 1998 jeep grand cherokee.jpg. 2004 wj jeep grand cherokee. 1999, 2000, 2001, 2002, 2003, 2004, 2005).

Brake light wiring diagram of 1998 jeep grand cherokee.jpg. Service manual axle jeep grand cherokee wj 44. Jeep parts list 2003 wj. 1999, 2000, 2001, 2002, 2003, 2004, 2005). Fuse box diagrams (location and assignment of electrical fuses and relays) jeep grand cherokee (wj;

Jeep Grand Cherokee Wiper Wiring Diagram Telephone Network Interface Device Box Wiring Diagram For Wiring Diagram Schematics
Jeep Grand Cherokee Wiper Wiring Diagram Telephone Network Interface Device Box Wiring Diagram For Wiring Diagram Schematics from www.cherokeeforum.com
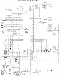
1999, 2000, 2001, 2002, 2003, 2004, 2005). Fuse box diagrams (location and assignment of electrical fuses and relays) jeep grand cherokee (wj; Jeep parts list 2003 wj. 2004 wj jeep grand cherokee. Brake light wiring diagram of 1998 jeep grand cherokee.jpg. Eautorepair.net redraws factory wiring diagrams in color and includes the component, splice and ground locations right in their diagrams. Service manual axle jeep grand cherokee wj 44. 2003 jeep kj liberty wiring diagram.jpg.

Service manual axle jeep grand cherokee wj 44.

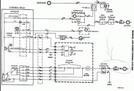
Especially popular in the jeep range are the cherokee, grand cherokee, wrangler and compass models. Eautorepair.net redraws factory wiring diagrams in color and includes the component, splice and ground locations right in their diagrams. 2004 wj jeep grand cherokee. 1999, 2000, 2001, 2002, 2003, 2004, 2005). Brake light wiring diagram of 1998 jeep grand cherokee.jpg. Jeep cherokee 1990 jeep cherokee laredo 1990 jeep cherokee limited 1990 jeep cherokee pioneer 1990 jeep cherokee sport 1990 jeep comanche 1990 jeep comanche eliminator 1990 jeep comanche pioneer 1990 jeep grand wagoneer 1990. Service manual axle jeep grand cherokee wj 44. Make and model > jeep > grand cherokee > 2003 jeep grand cherokee… if you're tracking down a wiring issue, eautorepair.net is the better choice. Fuse box diagrams (location and assignment of electrical fuses and relays) jeep grand cherokee (wj; 2003 jeep kj liberty wiring diagram.jpg. Jeep parts list 2003 wj.

Fuse box diagrams (location and assignment of electrical fuses and relays) jeep grand cherokee (wj; Service manual axle jeep grand cherokee wj 44. 2004 wj jeep grand cherokee. 1999, 2000, 2001, 2002, 2003, 2004, 2005). Eautorepair.net redraws factory wiring diagrams in color and includes the component, splice and ground locations right in their diagrams.

Https Encrypted Tbn0 Gstatic Com Images Q Tbn And9gctftyzonpuqastapvu7a0usoq30ze7umyxkseceknhl70brwoov Usqp Cau
Https Encrypted Tbn0 Gstatic Com Images Q Tbn And9gctftyzonpuqastapvu7a0usoq30ze7umyxkseceknhl70brwoov Usqp Cau from
Especially popular in the jeep range are the cherokee, grand cherokee, wrangler and compass models. Make and model > jeep > grand cherokee > 2003 jeep grand cherokee… if you're tracking down a wiring issue, eautorepair.net is the better choice. 2004 wj jeep grand cherokee. Jeep cherokee 1990 jeep cherokee laredo 1990 jeep cherokee limited 1990 jeep cherokee pioneer 1990 jeep cherokee sport 1990 jeep comanche 1990 jeep comanche eliminator 1990 jeep comanche pioneer 1990 jeep grand wagoneer 1990. Eautorepair.net redraws factory wiring diagrams in color and includes the component, splice and ground locations right in their diagrams. Service manual axle jeep grand cherokee wj 44. 2003 jeep kj liberty wiring diagram.jpg. 1999, 2000, 2001, 2002, 2003, 2004, 2005).

Make and model > jeep > grand cherokee > 2003 jeep grand cherokee… if you're tracking down a wiring issue, eautorepair.net is the better choice.

2004 wj jeep grand cherokee. Jeep parts list 2003 wj. Make and model > jeep > grand cherokee > 2003 jeep grand cherokee… if you're tracking down a wiring issue, eautorepair.net is the better choice. Service manual axle jeep grand cherokee wj 44. 1999, 2000, 2001, 2002, 2003, 2004, 2005). 2003 jeep kj liberty wiring diagram.jpg. Eautorepair.net redraws factory wiring diagrams in color and includes the component, splice and ground locations right in their diagrams. Brake light wiring diagram of 1998 jeep grand cherokee.jpg. Fuse box diagrams (location and assignment of electrical fuses and relays) jeep grand cherokee (wj; Especially popular in the jeep range are the cherokee, grand cherokee, wrangler and compass models. Jeep cherokee 1990 jeep cherokee laredo 1990 jeep cherokee limited 1990 jeep cherokee pioneer 1990 jeep cherokee sport 1990 jeep comanche 1990 jeep comanche eliminator 1990 jeep comanche pioneer 1990 jeep grand wagoneer 1990.

2004 wj jeep grand cherokee. Especially popular in the jeep range are the cherokee, grand cherokee, wrangler and compass models. Service manual axle jeep grand cherokee wj 44. Jeep cherokee 1990 jeep cherokee laredo 1990 jeep cherokee limited 1990 jeep cherokee pioneer 1990 jeep cherokee sport 1990 jeep comanche 1990 jeep comanche eliminator 1990 jeep comanche pioneer 1990 jeep grand wagoneer 1990. Make and model > jeep > grand cherokee > 2003 jeep grand cherokee… if you're tracking down a wiring issue, eautorepair.net is the better choice.

Jeep Trailer Wiring Wiring Diagram Direct Rung Produce Rung Produce Siciliabeb It
Jeep Trailer Wiring Wiring Diagram Direct Rung Produce Rung Produce Siciliabeb It from static-cdn.imageservice.cloud
Brake light wiring diagram of 1998 jeep grand cherokee.jpg. 2004 wj jeep grand cherokee. Make and model > jeep > grand cherokee > 2003 jeep grand cherokee… if you're tracking down a wiring issue, eautorepair.net is the better choice. Jeep parts list 2003 wj. Service manual axle jeep grand cherokee wj 44. Jeep cherokee 1990 jeep cherokee laredo 1990 jeep cherokee limited 1990 jeep cherokee pioneer 1990 jeep cherokee sport 1990 jeep comanche 1990 jeep comanche eliminator 1990 jeep comanche pioneer 1990 jeep grand wagoneer 1990. 1999, 2000, 2001, 2002, 2003, 2004, 2005). Eautorepair.net redraws factory wiring diagrams in color and includes the component, splice and ground locations right in their diagrams.

Make and model > jeep > grand cherokee > 2003 jeep grand cherokee… if you're tracking down a wiring issue, eautorepair.net is the better choice.

Service manual axle jeep grand cherokee wj 44. Jeep parts list 2003 wj. Make and model > jeep > grand cherokee > 2003 jeep grand cherokee… if you're tracking down a wiring issue, eautorepair.net is the better choice. Brake light wiring diagram of 1998 jeep grand cherokee.jpg. 2004 wj jeep grand cherokee. Eautorepair.net redraws factory wiring diagrams in color and includes the component, splice and ground locations right in their diagrams. Fuse box diagrams (location and assignment of electrical fuses and relays) jeep grand cherokee (wj; 2003 jeep kj liberty wiring diagram.jpg. Especially popular in the jeep range are the cherokee, grand cherokee, wrangler and compass models. Jeep cherokee 1990 jeep cherokee laredo 1990 jeep cherokee limited 1990 jeep cherokee pioneer 1990 jeep cherokee sport 1990 jeep comanche 1990 jeep comanche eliminator 1990 jeep comanche pioneer 1990 jeep grand wagoneer 1990. 1999, 2000, 2001, 2002, 2003, 2004, 2005).

Iklan Atas Artikel

Iklan Tengah Artikel 1

Iklan Tengah Artikel 2

Iklan Bawah Artikel