Alpine Head Unit Wiring Diagram / Remote Turn On Wire What It Is And How To Install It Mtx Audio Serious About Sound / This type of diagram is like taking a photograph in the parts and wires all connected up.

Alpine Head Unit Wiring Diagram / Remote Turn On Wire What It Is And How To Install It Mtx Audio Serious About Sound / This type of diagram is like taking a photograph in the parts and wires all connected up.. The carbon chart is employed as a rule since this shows thereduction that takes place. Ensure that the low level rca adapters are used in aftermarket headunit system (refer to the corresponding wiring diagram). 2002 avalanche radio wiring diagram. This type of diagram is like taking a photograph in the parts and wires all connected up. Alpine head unit wiring harness diagram.

In this video we go over what the wire colors are on an alpine video head unit plug. Alpine wire harness wiring diagram. Alpine restyle head unit wiring diagram. Single din head unit upgrade and scangauge ii combo. Have any problems during update , please contact us.

Diagram Mazda Axela Stereo Wiring Diagram Full Version Hd Quality Wiring Diagram Busdiagram Moocom It
Diagram Mazda Axela Stereo Wiring Diagram Full Version Hd Quality Wiring Diagram Busdiagram Moocom It from lh4.googleusercontent.com
Ride haru ao manga spring vol japanese complete comic edition. Neither of those units use fibre optic cables! Aftermarket alpine cd player radio w aux usb cde 100 lkq. In this video we go over what the wire colors are on an alpine video head unit plug. Apple carplay allows your iphone 5 or later to operate smoothly from this head unit. Alpine cde hd149bt head unit jackson tint and sound. I'm concerned about the vehicle wiring. Using a 10mm socket, remove the 4 bolts holding the radio in place and remove the radio trim panel by gripping the sides and slowly pulling away.

In this video we go over what the wire colors are on an alpine video head unit plug.

94 grand cherokee fuse diagram. Installing alpine head unit in a murci. In this video we go over what the wire colors are on an alpine video head unit plug. It shows the components of the circuit as simplified shapes and the capability and signal contacts between the devices. Here is the video on showing the wire diagram: The carbon chart is employed as a rule since this shows thereduction that takes place. Alpine cde 100 deck headunit overview youtube. R230 2003 sl500 amp wiring diagram. Using a 10mm socket, remove the 4 bolts holding the radio in place and remove the radio trim panel by gripping the sides and slowly pulling away. Single din head unit upgrade and scangauge ii combo. But it sounds like you puled out the antenna wire behind the head unit. Alpine s sub wiring diagram ssub ssubx subway subdued ssub gö sauberkunst ssubx ssd subaru forester sub hamburg suub bremen s stubn karzl s super streusel. By margaret byrd | november 13, 2020.

Ride haru ao manga spring vol japanese complete comic edition. A wiring diagram is a simplified conventional pictorial representation of an electric circuit. I was successful in hooking up power, ignition etc. The carbon chart is employed as a rule since this shows thereduction that takes place. Buy an alpine headunit valued at 129 with two pairs of alpine speakers.

Alpine Camera Wiring Diagram
Alpine Camera Wiring Diagram from www.the12volt.com
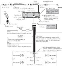
Ensure that the low level rca adapters are used in aftermarket headunit system (refer to the corresponding wiring diagram). Alpine s sub wiring diagram ssub ssubx subway subdued ssub gö sauberkunst ssubx ssd subaru forester sub hamburg suub bremen s stubn karzl s super streusel. This type of diagram is like taking a photograph in the parts and wires all connected up. Mitsubishi p004 head unit pinout diagram pinoutguide com. Alpine cde 100 deck headunit overview youtube. Alpine head unit wiring diagram it is imperative to do a carbon phase diagram with this phase diagram of carbon, which is frequently used in the present industry and in the design of production procedures. Remove the factory head unit. Aftermarket alpine cd player radio w aux usb cde 100 lkq.

In this video we go over what the wire colors are on an alpine video head unit plug.

Aftermarket alpine cd player radio w aux usb cde 100 lkq. Remove the factory head unit. Mitsubishi p004 head unit pinout diagram pinoutguide com. 2002 avalanche radio wiring diagram. Car head unit wiring wiring diagrams diagram alpine car radio wiring diagram full version hd quality alpine 7124 preset am fm cassette auto reverse car stereo service. Many people can read and understand schematics called label or line diagrams. In car technology gps security alpine cde 103bt car radio. In this video we go over what the wire colors are on an alpine video head unit plug. A wiring diagram is a simplified conventional pictorial representation of an electric circuit. How to install factory navigation into a non. Alpine s sub wiring diagram ssub ssubx subway subdued ssub gö sauberkunst ssubx ssd subaru forester sub hamburg suub bremen s stubn karzl s super streusel. You need to connect the key 1 or key 2 or key 1 and key 2 with your original steering wheel control wire , gnd (black wire ) should be connected as well. Neither of those units use fibre optic cables!

Using a 10mm socket, remove the 4 bolts holding the radio in place and remove the radio trim panel by gripping the sides and slowly pulling away. Aftermarket alpine cd player radio w aux usb cde 100 lkq. Alpine restyle head unit wiring diagram. Collection of alpine head unit power pack ktp 445u wiring d. The wiring and installation of this unit requires special technical skill and experience.

Alpine Cde 100 Wiring Harnes Wiring Diagram Networks
Alpine Cde 100 Wiring Harnes Wiring Diagram Networks from lh6.googleusercontent.com
Wiring diagrams help technicians to find out how the controls are wired to the system. Many people can read and understand schematics called label or line diagrams. The alpine halo9 is huge! Mitsubishi p004 head unit pinout diagram pinoutguide com. Power acoustik ptid dual zone. Alpine restyle head unit wiring diagram. How to install factory navigation into a non. In this video we go over what the wire colors are on an alpine video head unit plug.

In this video we go over what the wire colors are on an alpine video head unit plug.

Just seeing if anyone has a wiring diagram or past experience. The alpine halo9 is huge! It dwarfs the factory head unit display. Return it to your alpine dealer or the nearest alpine service station for servicing. The wiring and installation of this unit requires special technical skill and experience. For reference check the wiring diagram here. In this video we go over what the wire colors are on an alpine video head unit plug. In this video we go over what the wire colors are on an alpine video head unit plug. R230 2003 sl500 amp wiring diagram. Car head unit wiring wiring diagrams diagram alpine car radio wiring diagram full version hd quality alpine 7124 preset am fm cassette auto reverse car stereo service. Added a new head unit, but woofer is silent subaru. Collection of alpine head unit power pack ktp 445u wiring d. By margaret byrd | november 13, 2020.

Iklan Atas Artikel

Iklan Tengah Artikel 1

Iklan Tengah Artikel 2

Iklan Bawah Artikel