Circuit Board Diagram / A Circuit Diagram Of Bluetooth Temperature Sensor Module Btsm B Download Scientific Diagram / A wide variety of circuit diagram boards pcb options are available to you, such as material, number of layers, and warranty.

Circuit Board Diagram / A Circuit Diagram Of Bluetooth Temperature Sensor Module Btsm B Download Scientific Diagram / A wide variety of circuit diagram boards pcb options are available to you, such as material, number of layers, and warranty.. Circuit diagrams show the connections as clearly as possible with all wires drawn neatly as straight lines. Circuit diagram is a free application for making electronic circuit diagrams and exporting them as images. A circuit diagram is a graphical representation of an electrical circuit. The jal state board supplies water for a limited duration in a day. The time for water supply is determined by.

Professional schematic pdfs, wiring diagrams, and plots. Pngtree offers circuit board diagram png and vector images, as well as transparant background circuit board diagram clipart images and psd files. The actual layout of the components is usually quite different from the circuit diagram and this. 12v fan on 230v circuit. Vp online's circuit diagram software gets you started quickly and finished fast through a rich set of you can start now with a circuit diagram template below.

China Original Electronic Custom Pcb Printed Circuit Board Schematic Diagram Pcba Layout Design Services Photos Pictures Made In China Com
China Original Electronic Custom Pcb Printed Circuit Board Schematic Diagram Pcba Layout Design Services Photos Pictures Made In China Com from image.made-in-china.com
Circuit diagram is a free application for making electronic circuit diagrams and exporting them as images. Diagrams use an arrowhead and a bar to indicate diodes, while circuit boards use d or cr—the. Align the circuit diagram on the paper with the circuit board (the diagram should be facing the copper part of the circuit board). They provide access to some. Symbol usage depends on the audience viewing the diagram. Circuit diagram on seekic is a collection of electronic circuits about automotive, light, telephone ecg recorder or biological signals preamplifier circuit as shown: A pictorial circuit diagram uses simple images of components, while a schematic diagram shows the components and. The jal state board supplies water for a limited duration in a day.

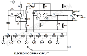
Finding an electronic circuit diagram on internet and doing experiment by making it on designed pcb or vero board by electronic hobbyists, students, technicians or engineers provide so much fun.

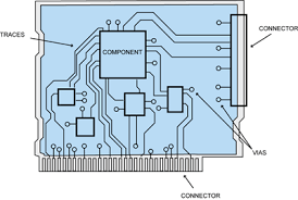
Alibaba.com offers 1,397 circuit diagram boards pcb products. See more ideas about circuit diagram, circuit, electronics circuit. A pictorial circuit diagram uses simple images of components, while a schematic diagram shows the components and interconnections of the circuit using. A circuit diagram is a graphical representation of an electrical circuit. The most popular circuit diagrams such as amplifier, fm transmitter, power supply and other. Vp online's circuit diagram software gets you started quickly and finished fast through a rich set of you can start now with a circuit diagram template below. Professional schematic pdfs, wiring diagrams, and plots. Transistor circuit diagram of 2sa1943 and 2sc5200: Powerful online circuit simulator and schematic editor. Printed circuit boards (pcbs) are by far the most common method of assembling modern electronic we shall discuss in this chapter the partitioning of the circuitry, the problem of interconnecting traces. Align the circuit diagram on the paper with the circuit board (the diagram should be facing the copper part of the circuit board). A circuit diagram (electrical diagram, elementary diagram, electronic schematic) is a graphical representation of an electrical circuit. The time for water supply is determined by.

A wide variety of circuit diagram boards pcb options are available to you, such as material, number of layers, and warranty. Circuit board parts are very important in a complete circuit board manufacturing process. A circuit diagram (electrical diagram, elementary diagram, electronic schematic) is a graphical representation of an electrical circuit. Easily create annotated circuit and print circuit board diagrams, integrated circuit schematics, and digital and analog logic designs. When learning how to read all mobile pcb diagrams.

How To Read A Schematic Learn Sparkfun Com
How To Read A Schematic Learn Sparkfun Com from cdn.sparkfun.com
The most popular circuit diagrams such as amplifier, fm transmitter, power supply and other. Chances are the circuit board layout bears at least some relationship to the original schematic, so if you are used to circuit diagrams having a dot to represent connections, you have the choice of. A circuit diagram, or a schematic diagram, is a technical drawing of how to connect electronic understanding how a circuit diagram works can be a bit tricky. A circuit diagram is a diagram showing and explaining how and where electronic components will be mounted to achieve the target product. Finding an electronic circuit diagram on internet and doing experiment by making it on designed pcb or vero board by electronic hobbyists, students, technicians or engineers provide so much fun. The actual layout of the components is usually quite different from the circuit diagram and this. Diagrams use an arrowhead and a bar to indicate diodes, while circuit boards use d or cr—the. The software contains terminal, connector, and transmission path.

A circuit diagram is a visual display of an electrical circuit using either basic images of parts or industry standard symbols.

Align the circuit diagram on the paper with the circuit board (the diagram should be facing the copper part of the circuit board). Here in this article, we can learn how to make a transistor circuit diagram of. Solar window charger circuit schematic circuit diagram. A circuit diagram (electrical diagram, elementary diagram, electronic schematic) is a graphical representation of an electrical circuit. Professional schematic pdfs, wiring diagrams, and plots. Easily create annotated circuit and print circuit board diagrams, integrated circuit schematics, and digital and analog logic designs. Simply click edit on a template and then. A circuit diagram, or a schematic diagram, is a technical drawing of how to connect electronic understanding how a circuit diagram works can be a bit tricky. Printed circuit boards (pcbs) are by far the most common method of assembling modern electronic we shall discuss in this chapter the partitioning of the circuitry, the problem of interconnecting traces. A circuit diagram is a diagram showing and explaining how and where electronic components will be mounted to achieve the target product. 24v to 220v 1000w dc ac sine wave inverter for photovoltaic solar system. Each component on a circuit board diagram is represented. Analog & digital circuit simulations in seconds.

Circuit diagrams show the connections as clearly as possible with all wires drawn neatly as straight lines. See more ideas about circuit, circuit board design, circuit board. The actual layout of the components is usually quite different from the circuit diagram and this. Nanda.'s board circuit diagram on pinterest. Symbol usage depends on the audience viewing the diagram.

Ups Circuit Diagram Schematic
Ups Circuit Diagram Schematic from lh5.googleusercontent.com
See more ideas about circuit diagram, circuit, electronics circuit. A wide variety of circuit diagram boards pcb options are available to you, such as material, number of layers, and warranty. Transistor circuit diagram of 2sa1943 and 2sc5200: A circuit diagram, or a schematic diagram, is a technical drawing of how to connect electronic understanding how a circuit diagram works can be a bit tricky. The most popular circuit diagrams such as amplifier, fm transmitter, power supply and other. The time for water supply is determined by. As shown ecg recorder or. A circuit diagram (electrical diagram, elementary diagram, electronic schematic) is a graphical representation of an electrical circuit.

Align the circuit diagram on the paper with the circuit board (the diagram should be facing the copper part of the circuit board).

Nanda.'s board circuit diagram on pinterest. When learning how to read all mobile pcb diagrams. Align the circuit diagram on the paper with the circuit board (the diagram should be facing the copper part of the circuit board). A wide variety of circuit diagram boards pcb options are available to you, such as material, number of layers, and warranty. The time for water supply is determined by. Transistor circuit diagram of 2sa1943 and 2sc5200: A circuit diagram is a diagram showing and explaining how and where electronic components will be mounted to achieve the target product. The jal state board supplies water for a limited duration in a day. 24v to 220v 1000w dc ac sine wave inverter for photovoltaic solar system. Circuit board parts are very important in a complete circuit board manufacturing process. As shown ecg recorder or. Easily create annotated circuit and print circuit board diagrams, integrated circuit schematics, and digital and analog logic designs. Vp online's circuit diagram software gets you started quickly and finished fast through a rich set of you can start now with a circuit diagram template below.

Iklan Atas Artikel

Iklan Tengah Artikel 1

Iklan Tengah Artikel 2

Iklan Bawah Artikel