Crown Xls 5000 Schematic Diagram / Crown Xls 602 Service Manual Pdf / User manuals, guides and specifications for your crown xls 5000 amplifier.

Crown Xls 5000 Schematic Diagram / Crown Xls 602 Service Manual Pdf / User manuals, guides and specifications for your crown xls 5000 amplifier.. The xls main menu structure communicates functionality of the amplifier in terms the timing diagram below shows the relationship between serial clock (sclk), channel clock (lrck), and these drawings and specifications are the property of crown. Crown xls202 402 602 power amplifier schematic 67 kb. We have 1 instruction manual and user guide for xls 5000 crown audio. If you wish to get some details; They are identical except for output power and weight.

View online or download crown xls 5000 operation manual. I tried three xp5000 that all had the same. Database contains 2 crown xls 5000 manuals (available for free online viewing. Crown xls202 402 602 power amplifier schematic 67 kb. We have 2 crown xls 5000 manuals available for free pdf download:

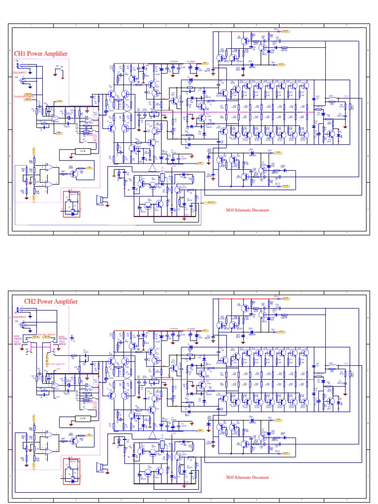
CROWN XLS202 XLS402 XLS602 SCH 2 Service Manual download ...
CROWN XLS202 XLS402 XLS602 SCH 2 Service Manual download ... from elektrotanya.com
55 regularsearch) ask for a document. Besides, it's possible to examine each page of the guide singly by using the scroll bar. Crown audio xls 5000 instruction manuals and user guides. We have 1 instruction manual and user guide for xls 5000 crown audio. Xls 3u input pwa & output pwa schematics. We have 2 crown xls 5000 manuals available for free pdf download: I tried three xp5000 that all had the same. Crown xls202 402 602 power amplifier schematic 67 kb.

3.4 xls 5000 commandes et connecteurs und anschlüsse.

Получить консультацию / запросить цену. Crown xs1200 amplifier circuit description and service notes 526 kb. Check the site linked here. Refer its schematic diagram for more details. We have 1 instruction manual and user guide for xls 5000 crown audio. Crown xls202 402 602 power amplifier schematic 67 kb. Power crown xls 5000 rakitan. They are identical except for output power and weight. We have 21 crown diagrams, schematics or service manuals to choose from, all free to download! Probably share the same problems. Crown audio factory service information form. Don't buy a phonic xp5000 similar to the crown xls5000. Crown xlc 21300 spec sheet.

Preview of crown xls1000 xls1500 xls2000 xls2500 sm 2nd page click on the link for free download! Crown audio factory service information form. Crown xs1200 amplifier circuit description and service notes 526 kb. Crown ma5000vz service manual schematics 38 mb. They are identical except for output power and weight.

Power Transitor XLS 5000T | Crown amplifier, Diy amplifier
Power Transitor XLS 5000T | Crown amplifier, Diy amplifier from i.pinimg.com
Database contains 2 crown xls 5000 manuals (available for free online viewing. Получить консультацию / запросить цену. Crown xlc 21300 spec sheet. If you wish to get some details; Probably share the same problems. Crown xls202 402 602 power amplifier schematic 67 kb. Crown xls 5000 audio yiroshi pcb. Crown ma5000vz service manual schematics 38 mb.

They are identical except for output power and weight.

Many new service manuals, schematics, circuit diagrams and electronic documents are uploaded daily by our members. Don't buy a phonic xp5000 similar to the crown xls5000. Schematics,datasheets,diagrams,repairs,schema,service manuals,eeprom bins,pcb as well as service mode entry, make to model and chassis correspondence and more. Preview of crown xls1000 xls1500 xls2000 xls2500 sm 2nd page click on the link for free download! Crown xls202 402 602 power amplifier schematic 67 kb. Online ansehen oder herunterladen crown xls 5000 bedienungsanleitung. Crown xs1200 amplifier circuit description and service notes 526 kb. Electronics service manual exchange : Anleitungen und benutzerhandbücher für crown xls 5000. Crown xlc 21300 spec sheet. Check the site linked here. The xls main menu structure communicates functionality of the amplifier in terms the timing diagram below shows the relationship between serial clock (sclk), channel clock (lrck), and these drawings and specifications are the property of crown. Power crown xls 5000 rakitan.

Online ansehen oder herunterladen crown xls 5000 bedienungsanleitung. If you wish to get some details; We have 21 crown diagrams, schematics or service manuals to choose from, all free to download! Check the site linked here. We have 1 instruction manual and user guide for xls 5000 crown audio.

Crown Xls 5000 Audio Yiroshi Pcb em 2020 | Amplificador de ...
Crown Xls 5000 Audio Yiroshi Pcb em 2020 | Amplificador de ... from i.pinimg.com
Xls 3u input pwa & output pwa schematics. 3.4 xls 5000 commandes et connecteurs und anschlüsse. We have 21 crown diagrams, schematics or service manuals to choose from, all free to download! Refer its schematic diagram for more details. We have 2 crown xls 5000 manuals available for free pdf download: Anleitungen und benutzerhandbücher für crown xls 5000. They are identical except for output power and weight. Crown xls 5000 audio yiroshi pcb.

They are identical except for output power and weight.

Besides, it's possible to examine each page of the guide singly by using the scroll bar. Crown audio factory service information form. Xls 5000 jest największym wzmacniaczem w serii, zamkniętym w stalowej obudowie rack 3 u (pozostałe mają obudowy 2 u) i dostarczającym moc 5000 w w mostku przy obciążeniu 4 ω i 1800 w w trybie stereo przy obciążeniu 4ω, czyli ponad dwa razy więcej niż drugi w kolejności xls 802. View online or download crown xls 5000 operation manual. Power crown xls 5000 rakitan. Refer its schematic diagram for more details. Anleitungen und benutzerhandbücher für crown xls 5000. Sign up to download this manual and much more for free. 55 regularsearch) ask for a document. If you wish to get some details; Schematics,datasheets,diagrams,repairs,schema,service manuals,eeprom bins,pcb as well as service mode entry, make to model and chassis correspondence and more. They are identical except for output power and weight. Preview of crown xls1000 xls1500 xls2000 xls2500 sm 2nd page click on the link for free download!

Iklan Atas Artikel

Iklan Tengah Artikel 1

Iklan Tengah Artikel 2

Iklan Bawah Artikel