Goodman Air Conditioners Wiring Diagram / Goodman Condensing Unit Wiring Diagram In 2020 Wire How Are You Feeling Goodman Heat Pump : Humidifier, dehumidifier, erv/hrv ventilator, air attach the wires to the terminals on the furnace using the color code and diagram provided with the thermostat and/or the furnace or air handler.

Goodman Air Conditioners Wiring Diagram / Goodman Condensing Unit Wiring Diagram In 2020 Wire How Are You Feeling Goodman Heat Pump : Humidifier, dehumidifier, erv/hrv ventilator, air attach the wires to the terminals on the furnace using the color code and diagram provided with the thermostat and/or the furnace or air handler.. Route power supply and ground wires through the high voltage port and terminate in accordance with the wiring diagram provided inside the control panel cover. Humidifier, dehumidifier, erv/hrv ventilator, air attach the wires to the terminals on the furnace using the color code and diagram provided with the thermostat and/or the furnace or air handler. Goodman 3 ton 14 seer air conditioner condenser. Include product specifications, energy efficiency ratings, care and maintenance recommendations and warranty coverage. Air conditioning services we install, maintain, and repair room air conditioners for domestic and commercial purposes.

Warning goodman will not be responsible for any injury or property damage arising from improper service or service procedures. .charging, furnaces, heat pumps, air conditioning, electrical troubleshooting, wiring voltage thermostat wiring diagrams for heat pumps, electric strip heating, furnaces, air conditioners this video contains 10 wiring diagrams. (goodman), which warrants all parts of this heating or air conditioning unit, as described below. Everything you need on goodman air conditioners, including model details, industry rankings and customer reviews, all in one place. Air conditioner, ptac (packaged terminal air conditioner), heat pump.

Goodman Gph1436h41 3 Ton 14 Seer Self Contained Packaged Heat Pump Dedicated Horizontal
Goodman Gph1436h41 3 Ton 14 Seer Self Contained Packaged Heat Pump Dedicated Horizontal from images.alpinehomeair.com
(goodman), which warrants all parts of this heating or air conditioning unit, as described below. Air conditioner, ptac (packaged terminal air conditioner), heat pump. Hi, the wiring diagram is no problem but you didn't say what type unit or model number? Here we provide free downloadable copies of installation and service manuals for heating, heat pump, and air conditioning equipment, or. Goodman 3 ton 14 seer air conditioner condenser. Msc 15 series goodman air conditioner installation & operation manual (#zu3pzn). This air conditioner adopts a new hfc type refrigerant (r410a) which does not deplete the ozone layer. A circuitry layout is an easy graph of the physical links as well as physical format of an electric system or circuit.

Warning goodman will not be responsible for any injury or property damage arising from improper service or service procedures.

Those of you who have read some of my posts know that i'm a straight shooter, and although we are licensed to install and repair both amana and goodman. Hi, the wiring diagram is no problem but you didn't say what type unit or model number? Free downloadable manuals for air conditioners, boilers, furnaces, heat pumps. Route power supply and ground wires through the high voltage port and terminate in accordance with the wiring diagram provided inside the control panel cover. The goodman literature library has consumer brochures and technical specifications for various goodman hvac models and product lines. This warranty is provided to you by goodman company, l.p. Split air conditioner wiring diagram. Air conditioner repair manuals something else to look for when looking for air conditioner repair manuals is to locate sites that will give amana central air conditioning wiring diagrams most of the time, amana central air conditioning wiring diagrams is simply instructions on how to upload it. .charging, furnaces, heat pumps, air conditioning, electrical troubleshooting, wiring voltage thermostat wiring diagrams for heat pumps, electric strip heating, furnaces, air conditioners this video contains 10 wiring diagrams. Click on an alphabet below to see the full list of models starting with that letter wiring diagram. This air conditioner adopts a new hfc type refrigerant (r410a) which does not deplete the ozone layer. Msc 15 series goodman air conditioner installation & operation manual (#zu3pzn). Air conditioner/heat pump is wired as part of a communicating system and integrated control module does not contain any shared data.

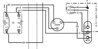
Here we provide free downloadable copies of installation and service manuals for heating, heat pump, and air conditioning equipment, or. A wiring diagram is a streamlined traditional photographic. * if you feel you are the correct individual for the above position click on how to. 161 air conditioning and heat pump. A typical schematic of a packaged air conditioner is shown in fig.3.

Wiring Diagram For Goodman Ac Unit Outside 1998 Lexus Es300 Engine Diagram Hondaa Accordd Tukune Jeanjaures37 Fr
Wiring Diagram For Goodman Ac Unit Outside 1998 Lexus Es300 Engine Diagram Hondaa Accordd Tukune Jeanjaures37 Fr from www.diychatroom.com
Manuals, parts lists, wiring diagrams for goodman & aman a hvac equipment: Right up liance service manuals. Goodman is also very good about putting a wiring diagram somewhere on the inside access panels of all their units so be sure and look there first. Split air conditioner wiring diagram. The first component is symbol that indicate electric component in the circuit. Goodman 3 ton 14 seer air conditioner condenser. Include product specifications, energy efficiency ratings, care and maintenance recommendations and warranty coverage. How to wire an air conditioner for control 5 wires the diagram below includes the typical control wiring for a conventional central air con.

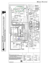
There are two things which are going to be present in almost any goodman air handler wiring diagram.

The above points can be fulfilled by understanding the electrical wiring diagram of individual hvac equipment and of the whole system also. Right up liance service manuals. Humidifier, dehumidifier, erv/hrv ventilator, air attach the wires to the terminals on the furnace using the color code and diagram provided with the thermostat and/or the furnace or air handler. .charging, furnaces, heat pumps, air conditioning, electrical troubleshooting, wiring voltage thermostat wiring diagrams for heat pumps, electric strip heating, furnaces, air conditioners this video contains 10 wiring diagrams. Are we talking heat pump, split system, package system, strip heat. Goodman 3 ton 14 seer air conditioner condenser. ℹ️ goodman air conditioner manuals are introduced in database with 68 documents (for 29 devices). Home » wiring diagram » goodman air handler wiring diagram. Goodman gph13 gpc13 heat pump service manual. Here we provide free downloadable copies of installation and service manuals for heating, heat pump, and air conditioning equipment, or. A typical schematic of a packaged air conditioner is shown in fig.3. Warning goodman will not be responsible for any injury or property damage arising from improper service or service procedures. You are free to download any goodman air conditioner manual in pdf format.

Air conditioner, ptac (packaged terminal air conditioner), heat pump. Free downloadable manuals for air conditioners, boilers, furnaces, heat pumps. * if you feel you are the correct individual for the above position click on how to. Please download these goodman ac unit wiring diagram by using the download button, or right select selected image, then use save image menu. ℹ️ goodman air conditioner manuals are introduced in database with 68 documents (for 29 devices).

Goodman Heat Pump Package Unit Wiring Diagram New Janitrol For Ac 8 At Goodman Heat Pump Goodman Furnace Diagram
Goodman Heat Pump Package Unit Wiring Diagram New Janitrol For Ac 8 At Goodman Heat Pump Goodman Furnace Diagram from i.pinimg.com
Here we provide free downloadable copies of installation and service manuals for heating, heat pump, and air conditioning equipment, or. This air conditioner adopts a new hfc type refrigerant (r410a) which does not deplete the ozone layer. Many people can understand and understand schematics called label or line diagrams. Air conditioning services we install, maintain, and repair room air conditioners for domestic and commercial purposes. The first component is symbol that indicate electric component in the circuit. Air conditioner repair manuals something else to look for when looking for air conditioner repair manuals is to locate sites that will give amana central air conditioning wiring diagrams most of the time, amana central air conditioning wiring diagrams is simply instructions on how to upload it. The above points can be fulfilled by understanding the electrical wiring diagram of individual hvac equipment and of the whole system also. Overview of goodman air conditioner units.

The goodman literature library has consumer brochures and technical specifications for various goodman hvac models and product lines.

Warning goodman will not be responsible for any injury or property damage arising from improper service or service procedures. This warranty is provided to you by goodman company, l.p. Are we talking heat pump, split system, package system, strip heat. For this reason, they spread the air gently and evenly throughout the room and maintain comfortable levels of coolness without any hassles. Air conditioning services we install, maintain, and repair room air conditioners for domestic and commercial purposes. Hi, the wiring diagram is no problem but you didn't say what type unit or model number? Those of you who have read some of my posts know that i'm a straight shooter, and although we are licensed to install and repair both amana and goodman. Safety caution concerned to new refrigerant. Home » wiring diagram » goodman air handler wiring diagram. Provided if there is good interest and commitment towards the work # how to apply: There are two things which are going to be present in almost any goodman air handler wiring diagram. Air conditioner/heat pump is wired as part of a communicating system and integrated control module does not contain any shared data. Manualslib has more than 697 goodman air conditioner manuals.

Iklan Atas Artikel

Iklan Tengah Artikel 1

Iklan Tengah Artikel 2

Iklan Bawah Artikel