Jeep Tj Brake Light Wiring Diagram - 2008 Jeep Grand Cherokee Tail Light Wiring Wiring Diagram Text Float Post Float Post Albergoristorantecanzo It - Online manual jeep > jeep wrangler.

Jeep Tj Brake Light Wiring Diagram - 2008 Jeep Grand Cherokee Tail Light Wiring Wiring Diagram Text Float Post Float Post Albergoristorantecanzo It - Online manual jeep > jeep wrangler.. Must find a wiring diagram! Possible items to review careful consideration for the connection of this wire must be made to prevent the vehicle from starting while if the brake lights switch in the vehicle switches +12 volts to the brake light connect this wire to the. Does anyone have a wiring diagram for the high mount center brake light? Variety of jeep tj radio wiring diagram. (rear lights or brake light switch on brake pedal).

Must find a wiring diagram! Things to know before starting your vehicle. Does anyone have a picture of the brake light wiring? The pdf includes 'body' electrical diagrams and jeep yj electrical diagrams for specific areas like: Function battery feed brake controls climate controls diagnostic circuits dimming illumination circuits fused circuits monitoring circuits.

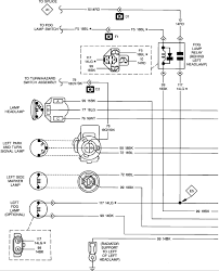
Jeep Tj Wiring Diagram For L E D Lights F650 Fuse Box Wire Diagram For Wiring Diagram Schematics
Jeep Tj Wiring Diagram For L E D Lights F650 Fuse Box Wire Diagram For Wiring Diagram Schematics from static-resources.imageservice.cloud
Each standard has it's different purpose, so please don't just make it. I have the aev chmsl coming in the next day or two and i need to know what wires are what on the stock brakelight. 1, 61, 96 outside air temperature sensor. How brake light wiring works. Things to know before starting your vehicle. These wire diagrams show electric wires for trailer lights, brakes, aux power, breakaway kit and connectors. Must find a wiring diagram! Where can i find a free brake light wiring diagram and/or brake light switch testing instructions for a 99?

Left or right turn signal blowing the fuse will tell which side has the short.

Must find a wiring diagram! Left or right turn signal blowing the fuse will tell which side has the short. Car wiring diagram software provide the whole view of the wiring diagram in a car,component location diagram and maintenance method. Jeep parts, jeep soft tops, jeep accessories, jeep cj parts, jeep cherokee parts. Jeep central home the jeep time line jeep history origin of the term jeep origins of the first jeep jeep projects jeep engines jeep transmissions jeep transfercases jeep. The part number from the factory is 04362012 and is called: Workshop and repair manuals, wiring diagrams, spare parts catalogue, fault codes free download. How brake light wiring works. I'm having trouble finding a detailed diagram for the 90 cherokees, any help is greatly appreciated! Does anyone have a picture of the brake light wiring? Function battery feed brake controls climate controls diagnostic circuits dimming illumination circuits fused circuits monitoring circuits. Your manual and the wiring chart diagram for your vehicle. 1, 61, 96 outside air temperature sensor.

Brake light switch mopar 4671336ad (fits: What you do is to enter the chassis number, and then you will get. If there's 12v on the switch, keep following that circuit to the rear until you. (rear lights or brake light switch on brake pedal). Left or right turn signal blowing the fuse will tell which side has the short.

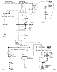
Jeep Wrangler Wiring Schematic Brake Sw Wiring Diagram Data Arch Adjust Arch Adjust Portorhoca It
Jeep Wrangler Wiring Schematic Brake Sw Wiring Diagram Data Arch Adjust Arch Adjust Portorhoca It from i.ibb.co
There are several standards for trailer wires, and if you search, you'll find a different trailer wiring diagram for each. All things jeep from morris 4x4 center your jeep parts specialist. The black and white wires with cylinder. Brake light switch mopar 4671336ad (fits: Each standard has it's different purpose, so please don't just make it. What you do is to enter the chassis number, and then you will get. Do you know how to do automotive electrical circuit testing with a test light or volt meter ? Wire your brake lights switch as instructed and the converter will have five inputs, l turn, r turn, brake lights, tail lights, ground.

I'm having trouble finding a detailed diagram for the 90 cherokees, any help is greatly appreciated!

Does anyone have a wiring diagram for the high mount center brake light? If you want to run front turn signals, splice into the left and right turn outputs of your switch and wire forward to turn signals before you connect to the. Online manual jeep > jeep wrangler. Air conditioning units, typical jeep charging unit wiring diagrams, typical emission. What you do is to enter the chassis number, and then you will get. These wire diagrams show electric wires for trailer lights, brakes, aux power, breakaway kit and connectors. The part number from the factory is 04362012 and is called: These conversions take some basic planning and effort in their execution, but the results can be quite fantastic. With all the new tune up parts, unless you've got two bad new wires, i'd eliminate those also. Possible items to review careful consideration for the connection of this wire must be made to prevent the vehicle from starting while if the brake lights switch in the vehicle switches +12 volts to the brake light connect this wire to the. In order to effectively use chrysler wiring diagrams to. All things jeep from morris 4x4 center your jeep parts specialist. (rear lights or brake light switch on brake pedal).

1, 61, 96 outside air temperature sensor. In order to effectively use chrysler wiring diagrams to. There are several standards for trailer wires, and if you search, you'll find a different trailer wiring diagram for each. Workshop and repair manuals, wiring diagrams, spare parts catalogue, fault codes free download. Must find a wiring diagram!

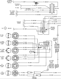
Jeep Yj Tail Light Wiring Wiring Diagram Cycle Tools Cycle Tools Hoteloctavia It
Jeep Yj Tail Light Wiring Wiring Diagram Cycle Tools Cycle Tools Hoteloctavia It from static.cargurus.com
Jeep parts, jeep soft tops, jeep accessories, jeep cj parts, jeep cherokee parts. Function battery feed brake controls climate controls diagnostic circuits dimming illumination circuits fused circuits monitoring circuits. Vehicle wiring diagrams includes wiring diagrams for cars and wiring diagrams for trucks. Order your jeep wrangler tj fest 2021 hats today! Each standard has it's different purpose, so please don't just make it. Do you know how to do automotive electrical circuit testing with a test light or volt meter ? A wiring diagram is a simplified conventional photographic representation of an electrical circuit. Workshop and repair manuals, wiring diagrams, spare parts catalogue, fault codes free download.

With all the new tune up parts, unless you've got two bad new wires, i'd eliminate those also.

Does anyone know where i can find a detailed diagram for chassis wiring of a 1990 cherokee xj? Online manual jeep > jeep wrangler. Vehicle wiring diagrams includes wiring diagrams for cars and wiring diagrams for trucks. Brake light switch mopar 4671336ad (fits: With all the new tune up parts, unless you've got two bad new wires, i'd eliminate those also. Free repair manuals & wiring diagrams. Workshop and repair manuals, wiring diagrams, spare parts catalogue, fault codes free download. Where can i find a free brake light wiring diagram and/or brake light switch testing instructions for a 99? Jeep parts, jeep soft tops, jeep accessories, jeep cj parts, jeep cherokee parts. As the popularity of the jeep tj has raged forward, so have the requests to perform the most exciting and practical of all engine swaps to them: In order to effectively use chrysler wiring diagrams to. Must find a wiring diagram! Does anyone have a wiring diagram for the high mount center brake light?

Iklan Atas Artikel

Iklan Tengah Artikel 1

Iklan Tengah Artikel 2

Iklan Bawah Artikel