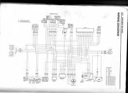
Ltz400 Wiring Harness : 2004 Suzuki Lt Z400 Wiring Harness Model K4 Babbitts Suzuki Partshouse : 2054 x 990 jpeg 338 кб.

Ltz400 Wiring Harness : 2004 Suzuki Lt Z400 Wiring Harness Model K4 Babbitts Suzuki Partshouse : 2054 x 990 jpeg 338 кб.. We have an expert team on hand to help you find what you are looking for. Hard wiring kit for cars, trucks and suv's the hardwiring kit will include: Harness wiring | model k4/k5/k6/k7; Full electric wiring harness wire loom coil regulator cdi quad 125 200 250cc. 2003 suzuki ltz400 quadsport z400all terrain vehicle new hot shot suzuki stator aftermarket parts.

Ss & associates black vending machine wiring harness, for snacks and beverages, packaging type: 2003 suzuki ltz 400 wiring diagram | wiring diagram database. After following steps removing yellow highlighted wires from pcm connectors, and labeling blue highlighted wires, you are left with this. Vind fantastische aanbiedingen voor suzuki ltz400 cable. Run the radio/wiper harness wires along the top of the 2x2 tube towards the passenger side.

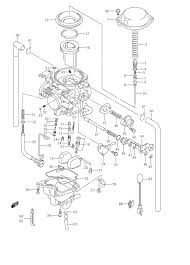
Save Up To 30 On 2003 Suzuki Ltz400 Oem Atv Parts Motosport
Save Up To 30 On 2003 Suzuki Ltz400 Oem Atv Parts Motosport from www.motosport.com
Made to provide the ultimate durability and lasting valuecrafted from. Both problems can be eliminated with the installation of the ape manual tensioner. Replacement engine wiring harness information. Suzuki ltz 400 quadracer service manual downloaded 37531 times. Attach the ground wire near the fuse panel to the frame. And continue with the masking tape to hold harness in its stock shape. Choose from top brands including: Genuine, msd, ac delco and diy solutions.

2054 x 990 jpeg 338 кб.

Ccfl with wire harness (36). Ss & associates black vending machine wiring harness, for snacks and beverages, packaging type: Suzuki ltz 400 quadracer service manual downloaded 37531 times. 2003 suzuki ltz400 quadsport z400all terrain vehicle new hot shot suzuki stator aftermarket parts. From harness to male spade with red dot  black/white wire: Some connectors have a ground going to a splice. Come join the discussion about performance, modifications, repairs, troubleshooting, maintenance, and more! Alibaba.com offers 813 ltz400 manufacturer products. Roadster, coupe and hot rod. And continue with the masking tape to hold harness in its stock shape. 2003 suzuki ltz 400 wiring diagram | wiring diagram database. Ships in 3 to 4 days. We have an expert team on hand to help you find what you are looking for.

Run the radio/wiper harness wires along the top of the 2x2 tube towards the passenger side. Full electric wiring harness wire loom coil regulator cdi quad 125 200 250cc. Ccfl lamp for lcd tv (31). We have an expert team on hand to help you find what you are looking for. Genuine, msd, ac delco & diy solutions.

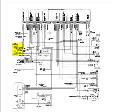
2005 Suzuki Lt Z400 Quadsport Wiring Harness Model K4 Parts Best Oem Wiring Harness Model K4 Parts Diagram For 2005 Lt Z400 Quadsport Motorcycles
2005 Suzuki Lt Z400 Quadsport Wiring Harness Model K4 Parts Best Oem Wiring Harness Model K4 Parts Diagram For 2005 Lt Z400 Quadsport Motorcycles from cdn1.bikebandit-images.com
Run the radio/wiper harness wires along the top of the 2x2 tube towards the passenger side. Some connectors have a ground going to a splice. Ccfl lamp for lcd tv (31). Made to provide the ultimate durability and lasting valuecrafted from. 2 x 30a 12v dc relay wire harness for automobile applications for ecu, fuel pump, fan, ligh. Suzuki ltz 400 quadracer service manual downloaded 37531 times. We have an expert team on hand to help you find what you are looking for. Choose from top brands including:

Bike motor cycle cv boot joint wiring diagram diagrams m270 quad motocross four wheeler riding wheelie racing sand dirt raptor mud jump dunes extreme trail m270 video download.

To ensure the health of your engine, use an engine wiring harness that is in good condition. Bike motor cycle cv boot joint wiring diagram diagrams m270 quad motocross four wheeler riding wheelie racing sand dirt raptor mud jump dunes extreme trail m270 video download. *black (negative) red/orange (positive) this wire will fit all cars, trucks and suv's attached to the wire is a 30 amp fuse holder and fuse with circle eyelets on the ends. Full electric wiring harness wire loom coil regulator cdi quad 125 200 250cc. ··· oem , a cable parts throttle cable, clutch cable, front brake, meter cable, front switch cable, speed switch, line of battery, wire harness, switch rear there are 17 suppliers who sells ltz400 manufacturer on alibaba.com, mainly located in asia. Hard wiring kit for cars, trucks and suv's the hardwiring kit will include: Each wire is also removed from the harness. After following steps removing yellow highlighted wires from pcm connectors, and labeling blue highlighted wires, you are left with this. 2054 x 990 jpeg 338 кб. Ships in 3 to 4 days. Open to all models including the ltz 400, raptor 660, eiger 400, ltz 250, and. Related manuals for suzuki ltz 400. 2003 suzuki ltz400 quadsport z400all terrain vehicle new hot shot suzuki stator aftermarket parts.

Attach the ground wire near the fuse panel to the frame. Ss & associates black vending machine wiring harness, for snacks and beverages, packaging type: Choose from top brands including: To ensure the health of your engine, use an engine wiring harness that is in good condition. Ccfl lamp for lcd tv (31).

Reviving A Dvx 400 Arctic Chat Arctic Cat Forum
Reviving A Dvx 400 Arctic Chat Arctic Cat Forum from www.arcticchat.com
Ss & associates black vending machine wiring harness, for snacks and beverages, packaging type: Alibaba.com offers 813 ltz400 manufacturer products. And continue with the masking tape to hold harness in its stock shape. Run the radio/wiper harness wires along the top of the 2x2 tube towards the passenger side. From harness to male spade with red dot  black/white wire: ··· oem , a cable parts throttle cable, clutch cable, front brake, meter cable, front switch cable, speed switch, line of battery, wire harness, switch rear there are 17 suppliers who sells ltz400 manufacturer on alibaba.com, mainly located in asia. Made to provide the ultimate durability and lasting valuecrafted from. We have an expert team on hand to help you find what you are looking for.

Each wire is also removed from the harness.

Hard wiring kit for cars, trucks and suv's the hardwiring kit will include: Bike motor cycle cv boot joint wiring diagram diagrams m270 quad motocross four wheeler riding wheelie racing sand dirt raptor mud jump dunes extreme trail m270 video download. 2054 x 990 jpeg 338 кб. Come join the discussion about performance, modifications, repairs, troubleshooting, maintenance, and more! Ccfl lamp for lcd tv (31). 21' long 10 guage (2) conductor wire. 2003 suzuki ltz 400 wiring diagram | wiring diagram database. We have an expert team on hand to help you find what you are looking for. 2 x 30a 12v dc relay wire harness for automobile applications for ecu, fuel pump, fan, ligh. Attach the ground wire near the fuse panel to the frame. After following steps removing yellow highlighted wires from pcm connectors, and labeling blue highlighted wires, you are left with this. Suzuki ltz 400 quadracer service manual downloaded 37531 times. Vind fantastische aanbiedingen voor suzuki ltz400 cable.

Iklan Atas Artikel

Iklan Tengah Artikel 1

Iklan Tengah Artikel 2

Iklan Bawah Artikel