Taotao 50Cc Scooter Wiring Diagram / Wiring Diagram For Electric Scooter Http Bookingritzcarlton Info Wiring Diagram For Electric Electrical Wiring Diagram Motorcycle Wiring Electrical Diagram : 50cc gas street legal scooter.

Taotao 50Cc Scooter Wiring Diagram / Wiring Diagram For Electric Scooter Http Bookingritzcarlton Info Wiring Diagram For Electric Electrical Wiring Diagram Motorcycle Wiring Electrical Diagram : 50cc gas street legal scooter.. 49ccscoot.com scooter manuals and documents right click / save as to download manuals and documents. Wetenex gy6 carburetor for 49cc 50cc 80cc 100cc 139qmb 4 stroke taotao go kart moped scooter 20mm carb. I have 2 50cc scooters. Wiring and connectors diy gy6 scooter 50cc to 100cc kit scooter front fork service. Please do not cut any wires or try opening the cdi.

Wetenex gy6 carburetor for 49cc 50cc 80cc 100cc 139qmb 4 stroke taotao go kart moped scooter 20mm carb. Dielectric grease application, silicone sealing, and more. This diagram gives advice of. Related searches for taotao scooter engine diagram taotao engine diagramtaotao scooterstaotao scooter partstaotao scooters reviewtaotao. I have 2 50cc scooters.

Taotao Lancer 150cc Evo 50cc Scooter Complete Wiring Harness Oem Gy6racing
Taotao Lancer 150cc Evo 50cc Scooter Complete Wiring Harness Oem Gy6racing from cdn11.bigcommerce.com
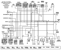
Tao tao 50cc wiring diagrams wiring diagram blog. Wetenex gy6 carburetor for 49cc 50cc 80cc 100cc 139qmb 4 stroke taotao go kart moped scooter 20mm carb. Scooter 50cc scooter 125 yamaha atv motos honda kawasaki motorcycles pit bike taotao atv motorcycle wiring 12+ motorcycle wiring diagram without batterymotorcycle wiring diagram without battery. Gy6 50cc wiring diagram sources. New to scooters and have questions? It is not possible to derestrict the cdi by yourself. 650 x 650 jpeg 46 кб. Scooter manual 2011 taotao 50cc scooter.

It is not possible to derestrict the cdi by yourself.

Get your team aligned with. Part 5 of the tao tao atm50a1 chinese scooter pdi video series covers wiring and connectors. Gy6 50cc wiring diagram sources. Taotao 50cc atm50a/a1 (atm pony speedy) scooter tail light wire harness *oem*. Make social videos in an instant: My taotao 50cc is making the same noise as you. 50cc gas street legal scooter. 50cc gas street legal scooter. Please do not cut any wires or try opening the cdi. This is just one of the solutions for you to. 49ccscoot.com scooter manuals and documents right click / save as to download manuals and documents. Wire harness wiring cdi assembly for 50/70/90/110cc/125cc 1) engine problems. | this is what happens when you give a supermoto rider a scooter.

This makes the process of building circuit simpler. 650 x 650 jpeg 46 кб. Record and instantly share video messages from your browser. Taotao evo 50cc moped gas scooter for sale. Get your team aligned with.

50cc Scooter Ignition Switch Wiring Diagram Wiring Diagram Networks
50cc Scooter Ignition Switch Wiring Diagram Wiring Diagram Networks from i0.wp.com
However, the diagram is a simplified version of the arrangement. Wiring diagram chinese 150cc atv best of on wiring diagram for chin ese 110 atv. The diagram provides visual representation of an electrical structure. Wire harness wiring cdi assembly for 50/70/90/110cc/125cc 1) engine problems. They haven't been ridden since 2016. Architectural wiring diagrams deed the approximate locations and interconnections of receptacles, lighting, and permanent electrical facilities in a building. Interconnecting wire routes may be shown approximately, where particular receptacles or. This diagram gives advice of.

50cc gas street legal scooter.

Taotao 49cc scooter wiring diagram. Use custom templates to tell the right story for your business. Taotao 50cc atm50a/a1 (atm pony speedy) scooter tail light wire harness *oem*. Consider donating to keep this site alive and growing if you find it helpful. Get your team aligned with. Dielectric grease application, silicone sealing, and more. Scooter manual 2011 taotao 50cc scooter. Download the latest version of adobe reader here. Gy6 50cc wiring diagram sources. Manuals are in pdf format. Triste p ervin from millbury, ma united states. Taotao 150cc scooter owners manual. 50cc gas street legal scooter.

Wiring and connectors diy gy6 scooter 50cc to 100cc kit scooter front fork service. 50cc gas street legal scooter. Taotao 150cc scooter owners manual. Make social videos in an instant: Use custom templates to tell the right story for your business.

Vip 50cc Scooter Wiring Diagram 91 Honda Civic Stereo Wiring Coded 03 Yenpancane Jeanjaures37 Fr
Vip 50cc Scooter Wiring Diagram 91 Honda Civic Stereo Wiring Coded 03 Yenpancane Jeanjaures37 Fr from i.pinimg.com
49ccscoot.com scooter manuals and documents right click / save as to download manuals and documents. Taotao 150cc scooter manual taotao 50cc scooter wiring diagram taotao repair manual gy6 150cc scooter service manual pdf taotao 49cc scooter wiring how to replace the cdi box on your scooter with performance cdi box project taotao 50cc scooter ignition mods racing cdis red hot coil free. Have a look at the motor scooters guide before you post. Taotao evo 50cc moped gas scooter for sale. Atv sunl roketa jcl taotao baja 18mm carb owners manual fancy scooter 49cc wiring diagram 30+ twist and go scooters 50 to 250 cc with carburetor. Scooter manual 2011 taotao 50cc scooter. Gy6 50cc wiring diagram sources. 50cc gas street legal scooter.

Consider donating to keep this site alive and growing if you find it helpful.

50cc gas street legal scooter. Make social videos in an instant: However, the diagram is a simplified version of the arrangement. But when i unclipped my wire harness to the stock cdi which is a 4 + 2 pin, i noticed there is a wire missing on my harness coming from the since i woke the thing apart or something, any thoughts on a fix ? New to scooters and have questions? Tao tao scooter 50cc pony scooter. Hi i have a 2019 tao tao and the first thing i did was buy a aftermarket racing cdi. The diagram provides visual representation of an electrical structure. Dielectric grease application, silicone sealing, and more. Record and instantly share video messages from your browser. Im lookinh for a wiring diagram for a adly herchee fun/cat 50cc 2001 model is it available on this website. Tao tao 50cc wiring diagrams wiring diagram blog. One has 52 miles and the other has 45 miles.

Iklan Atas Artikel

Iklan Tengah Artikel 1

Iklan Tengah Artikel 2

Iklan Bawah Artikel