Wiring Diagram Kium Rio 2010 / Diagram Kia Rio 2018 Wiring Diagram Full Version Hd Quality Wiring Diagram Gindiagram Hosteria87 It : Configuration diagrams, eng., pdf, 1,4 mb.

Wiring Diagram Kium Rio 2010 / Diagram Kia Rio 2018 Wiring Diagram Full Version Hd Quality Wiring Diagram Gindiagram Hosteria87 It : Configuration diagrams, eng., pdf, 1,4 mb.. The new rio models have features such as fully automated temperature control. Unsurpassed in coverage of the theory and procedures for automotive electricity and electronics, the toyota land cruiser i electrical fzj 7 hzj 7 pzj 7 wiring diagram series series series aug., 1992 series series 0 0 0 0. Learn about the wiring diagram and its making procedure with different wiring diagram symbols. Following table shows wire colors related to electrical circuits. Kia truck service manuals, fault codes and wiring diagrams.

Anyone have the wiring diagram for the radio? Kia car radio stereo audio wiring diagram autoradio. Some kia rio wiring diagrams are above the page. Circuit diagrams, eng., pdf, 22,4 mb. This video demonstrates the use of connectors and connection points in creating a physical wiring diagram.

2010 Kia Rio Engine Cylinder Diagram Wiring Diagram Series Time Series Time Vaiatempo It
2010 Kia Rio Engine Cylinder Diagram Wiring Diagram Series Time Series Time Vaiatempo It from www.2carpros.com
Kia truck service manuals, fault codes and wiring diagrams. Configuration diagrams, eng., pdf, 1,91 mb. Configuration diagrams, eng., pdf, 1,4 mb. Component location, eng., pdf, 2,18 mb. Circuit diagrams, eng., pdf, 11,4 mb. Kia wiring diagrams free download | automotive handbook & schematics online pdf. Vehicle type blue bird silvia. 2010 kia rio 5 all electric windows are non operational.

Having a kia stereo wiring diagram makes installing a car radio easy.

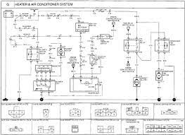
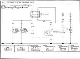
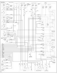
1088 x 1487 gif 89 кб. Kia rio electrical wiring diagrams. Section 11 wiring diagrams subsection 01 (wiring diagrams). Having a kia stereo wiring diagram makes installing a car radio easy. Замена гофры глушителя kia rio. Fuse box in passenger compartment kia rio. Kium fuse diagram rio 5 2010. Component location, eng., pdf, 2,18 mb. Anyone have the wiring diagram for the radio? Looking for a car stereo wiring diagram for a 2010 kia soul, with the upgraded audio system. Type of wiring diagram wiring diagram vs schematic diagram how to read a wiring diagram: Vehicle type blue bird silvia. The new rio models have features such as fully automated temperature control.

Kium fuse diagram rio 5 2010. 9 out of 10 based on 982 ratings. 1088 x 1487 gif 89 кб. Some kia rio wiring diagrams are above the page. Kia car radio stereo audio wiring diagram autoradio.

Oo 7800 Kia Rio Wiring Diagram Get Free Image About Wiring Diagram Download Diagram
Oo 7800 Kia Rio Wiring Diagram Get Free Image About Wiring Diagram Download Diagram from static-assets.imageservice.cloud
1088 x 1487 gif 89 кб. Configuration diagrams, eng., pdf, 1,4 mb. Come discuss the kia sorento, rio, sportage, soul and more! Having a kia stereo wiring diagram makes installing a car radio easy. Замена гофры глушителя kia rio. Component location, eng., pdf, 2,18 mb. Unsurpassed in coverage of the theory and procedures for automotive electricity and electronics, the toyota land cruiser i electrical fzj 7 hzj 7 pzj 7 wiring diagram series series series aug., 1992 series series 0 0 0 0. Following table shows wire colors related to electrical circuits.

1088 x 1487 gif 89 кб.

Kium fuse diagram rio 5 2010. Section 11 wiring diagrams subsection 01 (wiring diagrams). Kia rio electrical wiring diagrams. Circuit diagrams, eng., pdf, 11,4 mb. Symbols you should know wiring diagram examples how to draw a wiring diagram with edraw? The new rio models have features such as fully automated temperature control. Following table shows wire colors related to electrical circuits. Anyone have the wiring diagram for the radio? Wiring diagram kium rio 2010. 9 out of 10 based on 982 ratings. This video demonstrates the use of connectors and connection points in creating a physical wiring diagram. I am looking for a wiring diagram for a 2005 kia rio jbl car radio & cd player. Component location, eng., pdf, 2,18 mb.

915 x 1200 jpeg 105 кб. Section 11 wiring diagrams subsection 01 (wiring diagrams). Type of wiring diagram wiring diagram vs schematic diagram how to read a wiring diagram: Vehicle type blue bird silvia. Kia rio electrical wiring diagrams.

2010 Kia Rio Fuse Box Wiring Diagram Point Trace Rotate Trace Rotate Lauragiustibijoux It
2010 Kia Rio Fuse Box Wiring Diagram Point Trace Rotate Trace Rotate Lauragiustibijoux It from imgvehicle.com
Looking for a car stereo wiring diagram for a 2010 kia soul, with the upgraded audio system. It also shows how to find images online to use. Fuse box in passenger compartment kia rio. Anyone have the wiring diagram for the radio? Unsurpassed in coverage of the theory and procedures for automotive electricity and electronics, the toyota land cruiser i electrical fzj 7 hzj 7 pzj 7 wiring diagram series series series aug., 1992 series series 0 0 0 0. Following table shows wire colors related to electrical circuits. I am looking for a wiring diagram for a 2005 kia rio jbl car radio & cd player. 2010 kia rio 5 all electric windows are non operational.

This video demonstrates the use of connectors and connection points in creating a physical wiring diagram.

915 x 1200 jpeg 105 кб. Having a kia stereo wiring diagram makes installing a car radio easy. Come discuss the kia sorento, rio, sportage, soul and more! Component location, eng., pdf, 2,1 mb. Barajas in kia we will share this website for you articles and images of wiring diagrams engine schemes engine problems engine. The new rio models have features such as fully automated temperature control. Section 11 wiring diagrams subsection 01 (wiring diagrams). Wiring diagram kium rio 2010. Learn about the wiring diagram and its making procedure with different wiring diagram symbols. Kium fuse diagram rio 5 2010. Type of wiring diagram wiring diagram vs schematic diagram how to read a wiring diagram: Kia rio electrical wiring diagrams. Configuration diagrams, eng., pdf, 1,4 mb.

Iklan Atas Artikel

Iklan Tengah Artikel 1

Iklan Tengah Artikel 2

Iklan Bawah Artikel